傳真:
18923864027
QQ:
709211280
地址:
深圳市福田區振中路84號愛華科研樓7層
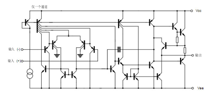
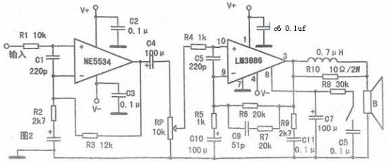
LM3886功放電路的設計和LM3886改進介紹為了解決瞬態失真的問題,筆者將LM3886 功放典型應用電路改為電流負反饋型,用電阻把流過揚聲器音圈
LM2596的簡介與引腳功能介紹LM2596是3A電流輸出降壓開關型集成穩壓芯片,它內含固定頻率振蕩器(150KHZ)和基準穩壓器(1 23v),并具有完善的
LM2596開關電壓調節器,LM2596的應用電路LM2596系列開關電壓調節器是降壓型電源管理單片集成電路,能夠輸出3A的驅動電流,同時具有很好的線
基于LM339的測試儀電路設計圖解LM339(四路差動比較器)是在電壓比較器芯片內部裝有四個獨立的電壓比較器,是一種常見的集成電路,主要應用于
LM339集成,LM339電壓比較器的應用電路LM339集成塊內部裝有四個獨立的電壓比較器,設計用于在通帶內存在輸入信號時提供飽和的晶體管接地。采
LM339和LM339N的區別介紹LM339N是四運放IC,可作信號電壓放大,比較,邏輯運放,還用于保護,LM339是四電壓比較器 主要用在檢測電路和基準
LM339的特點,LM339引腳功能與使用LM339(四路差動比較器)是在電壓比較器芯片內部裝有四個獨立的電壓比較器,是一種常見的集成電路,主要應用
LM324的特點,LM324引腳功能以與參數LM324系列是低成本的四路運算放大器,具有真正的差分輸入。在單電源應用中,它們與標準運算放大器類型相
運算放大器LM324在家用電器中的應用介紹LM324系列由四個獨立的,高增益,內部頻率補償運算放大器,其中專為從單電源供電的電壓范圍經營。從
LM324的正負電源接法與檢測介紹LM324四運放電路具有電源電壓范圍寬,靜態功耗小,可單電源使用,價格低廉等優點,因此被廣泛應用在各種電路
LM324組成的開關電源圖解開關模式電源又稱交換式電源、開關變換器,是一種高頻化電能轉換裝置,是電源供應器的一種。其功能是將一個位準的
基于LM324的電源測試儀設計圖解通用型集成運放LM324內部有四個運放器,利用其中兩個運放器可以制作一個電源測試儀。此測試儀對于工廠生產線