傳真:
18923864027
QQ:
709211280
地址:
深圳市福田區振中路84號愛華科研樓7層
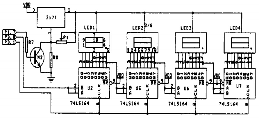
74LS164,基于74LS164的單片機與LED顯示電路設計介紹AT89系列單片機是近年來推出的一種新型高性能低價位、低電壓低功耗的8位CMOS微型計算機
74LS48的概述,74LS48電路圖,引腳與功能介紹74LS48芯片是一種常用的七段數碼管譯碼器驅動器,常用在各種數字電路和單片機系統的顯示系統中,
AD9854芯片,AD9854的多功能信號源設計圖解為了實現高性價比、低相噪和低雜散的數字化信號源,本文提出了以直接數字頻率合成芯片AD9854 為
AD9854,基于AD9854與FPGA的雷達信號源設計本文介紹了使用AD9854芯片和FPGA,并基于DDS理論設計并實現了多模式多波形雷達信號源。它可模擬LF
AD9854集成,用AD9854與STM32的頻率特性測試儀設計介紹本文設計了一種新的頻率特性測試儀,其采用直接頻率合成(DDS)芯片AD9854產生正交掃頻
AD590,基于AD590的數字顯示溫度計設計介紹AD590是常用的T I變換器,它是AD公司利用PN結正向電流與溫度的關系制成的電流輸出型兩端溫度傳感
AD590 用AD590組成的溫度測量電路圖解AD590是用PN結正向電流與溫度的關系制成的電流輸出型兩端溫度傳感器。由于該器件具有良好的線性特性和
AD620,基于AD620的高精度壓力信號放大系統設計微弱信號的放大要求高,難易度高,信號放大和信號放大的穩定性和精度的要求有關。差動放大技
74LS244的引腳圖與功能,74LS244應用電路介紹74LS244為3態8位緩沖器,一般用作總線驅動器。74LS244沒有鎖存的功能。地址鎖存器就是一個暫存
74HC164,基于74HC164的儀表電路設計圖解74HC164是高速硅門 CMOS 器件,與低功耗肖特基型 TTL (LSTTL) 器件的引腳兼容。74HC164是8位邊
74LS00集成電路,74LS00的應用電路介紹74LS00為四組2 輸入端與非門(正邏輯),共有 54 7400、54 74H00、54 74S00、54 74LS00。1 電特性主要
74HC595,74HC595芯片的驅動LED電路設計74HC595芯片是74系列的一種,具有速度快、功耗小、操作簡單的特點,可以方便地用于單片機接口進行驅