傳真:
18923864027
QQ:
709211280
地址:
深圳市福田區振中路84號愛華科研樓7層
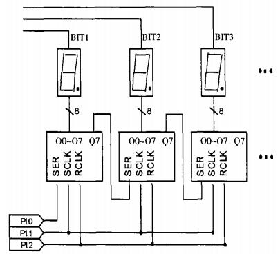
74HC595,基于74HC595的多位LED顯示實現設計單片機應用系統中使用的顯示器主要有LED和LCD兩種。近年來也有用CRT顯示的。前者價格低廉,配置
LM317,基于LM317的開關電源設計解析常見的串聯三端穩壓集成電路,如LM7800、LM7900、LM3xx系列,效率低,如LM7805輸入電源電壓10~15V時,
LM317,利用LM317組成的各種電源電路圖解LM317三端可調正穩壓器集成電路。我國和世界各大集成電路生產商均有同類產品可供選用,是使用極為廣
LM317的特性,LM317工作原理,LM317應用介紹LM317是應用最為廣泛的電源集成電路之一,它不僅具有固定式三端穩壓電路的最簡單形式,又具備輸出
LM317,基于LM317的可調數顯小功率穩壓電源設計眾所周知,小功率線性穩壓電源是電子系統測試中廣泛應用的電子設備,但目前小功率電源多為固
LM567,LM567的參數與引腳功能LM567為通用鎖相環電路音調譯碼器,當LM567的③腳輸入幅度≥25mV、頻率在其帶寬內的信號時,⑧腳由高電平變
LM567,基于LM567的視頻信號切換電路設計圖解LM567是一個高穩定性的低頻集成鎖相環路解碼器,由于其良好的噪聲抑制能力和中心頻率穩定性而被
LM567在超聲波檢測中的應用介紹超聲波檢測,也叫超聲檢測,是利用超聲波技術進行檢測工作的,是五種常規無損檢測方法的一種。無損檢測是在
LM741,基于LM741的電容測量電路設計圖解LM741系列是通用運算放大器,具有比LM709等行業標準更高的性能。在大多數應用中,它們是709C、LM201
LM741,LM741的特點參數與引腳功能介紹LM741是一種應用非常廣泛的通用型運算放大器。由于采用了有源負載,所以只要兩級放大就可以達到很高的
LM311,LM311的工作原理與應用電路LM311工作于單電源SV~30V 或土15V雙電源; 正電源工作電流為2 4m A(典型值)、負電源工作電流為-1 3mA(
LM311,基于LM311的實用漏水檢測電路設計圖解電壓比較器簡稱比較器,其基本功能是對兩個輸入電壓進行比較,并根據比較結果輸出高電平或低電