LM324系列由四個獨立的,高增益,內部頻率補償運算放大器,其中專為從單電源供電的電壓范圍經營。從分裂電源的操作也有可能和低電源電流消耗是獨立的電源電壓的幅度。本文介紹LM324在家用電器中的應用。
1.LM324特性
(1)短路保護輸出
(2)真差動輸入級
(3)可單電源工作:3V-32V
(4)低偏置電流:最大100nA
(5)每封裝含四個運算放大器。
(6)具有內部補償的功能。
(7)共模范圍擴展到負電源
(8)行業標準的引腳排列
(9)輸入端具有靜電保護功能
2.紅外遙控風扇調速開關

圖1 紅外遙控風扇調速開關電路
如圖所示為紅外遙控風扇調速開關電路。該電路由紅外發射器和紅外接收、譯碼器組成。紅外發射器包括由IC1及D1、R1、R2、C2等組成的低頻多諧振蕩器和由IC2及R3、R4、C4、C5、W1等組成的多諧振蕩器。其中IC1對應的振蕩周期為T=t充 t放,且t充=0.693R2C2,圖示參數對應約為400μs;t放=0.693R1C2,圖示參數對應約為15ms,輸出波形的占空比約為3%。IC2對應的振蕩頻率有兩種:f1=1.44/(R3 2R4 2Rw1)(C4),f2=1.44/(R3 2R4 2Rw1)(C4 C5),圖示參數對應的頻率分別為f=20kHz,f2=10kHz。另外IC1的輸出波形控制IC2的振蕩情況,當IC2的脈沖波形為低電平時,振蕩器Ic2不工作。紅外發射管采用SE303A型,脈沖編碼調制波形如圖(a)中所示。
紅外接收管采用與發射管匹配的PH302,也可用3DU型的光敏三極管。集成電路IC1為四運放LM324,其中IC1a。和L、C2回路組成20kHz(或10kHz)的選頻放大器,IC1b、BG1為放大器,IC1c和R17~R20組成電壓比較器。信號經檢波,再經R16、C7延時150ms后加至電壓比較器的反相輸入端,只有當信號電壓超過同相端的偏置電壓時,IC1c的輸出才會由高電平轉為低電平。因此發射時按壓時間(AN)應不小于150ms。
集成電路IC2采用十進制計數器/脈沖分配器CD4017,選用8個輸出端BG1~BG5、BG7~BG9,內部依次經R25、R27、R26、R23、R24,并與R28分壓后加至電壓比較器Icld的同相端。IC3(555)、IC1d、BG4等組成具有恒流源的占空比可調的多諧振蕩器。占空比的大小取決于加至IC1d的同相端的偏置電壓的高低。IC1d的輸出經BG5反相后觸發SCR雙向可控硅,通過控制其發的導通時間來改變交流電壓的平均值,從而改變相應轉速。
對應于IC2的輸出BG1~BG5,風扇有5擋風速不同的連續風,在輸出BG7~BG9時,則對應于3擋陣風和微風。
本電路的發射采用紅外脈沖編碼,對相距5~10m范圍內的接收譯碼器,能可靠地接收、譯碼,并可實現對風扇5種不同的風速(連續風)和三擋陣風、微風的換擋控制。
3.電冰箱溫度顯示器電路
由LM324、SL322構成的電冰箱溫度顯示器電路。如圖所示。該電路由降壓整流電路、溫度檢測元件Rt、集成運算放大器LM324、電平顯示集成電路SL322等組成。其中降壓整流電路為整個電路提供直流電壓,Rt為熱敏電阻,SL322用于驅動發光二極管發光。

圖2 LM324、SL322構成的電冰箱溫度顯示器電路
當電冰箱內溫度升高時,Rt的阻值下降,相應Vi1下降,它通過LM324放大后,使電壓Vo上升,Vo被直接送入SL322,以驅動發光二極管發光,且因SL322的輸入電壓上升,被點亮的發光二極管數目增多。反之,當電冰箱內的溫度降低時,被點亮的發光二極管數目減少。確定好1只發光二極管表示的溫度后,則由發光二極管被點亮的數目即可知電冰箱內的溫度。圖示電路在0℃時只有1只發光二極管點亮,18℃有10只發光二極管點亮,則平均每隔2℃的變化將引起l只發光二極管的亮或滅。
如果想使電冰箱內的溫度越低時被點亮的發光二極管越多,則可將R3與R4的位置對調一下即可。
熱敏電阻Rt選用MF51型,使用范圍為-55~ 125℃,靈敏度高。使用時對其進行定標的方法是:先把Rt與溫度計綁在一起,兩個測溫頭盡量靠攏,以減小誤差,然后將Rt的兩根引線與萬用表的表筆連好,并把量程開關放在R×1k擋,最后把兩個測溫頭放入冷藏室或冷凍室內,即可測出Rt在所要求的低溫時或高溫時顯示的阻值。一般測兩次取平均值較好。通常冷藏室內溫度為2~8℃,取顯示溫度范圍為0~18℃即可滿足要求。
調試時,先取R3的阻值等于Rt最低顯示溫度對應的值,然后將Rt換成電位器,并將它調至最高溫度Rt對應的值,再調整Rt,使發光二極管全部點亮。最后調電位器,使阻值等于最低顯示溫度Rt對應的值,調整R3使1個發光二極管點亮即可。
本電路可通過發光二極管的顯示從冰箱外部得知電冰箱內的溫度。不過電路接入中需注意的是:Rt應放在溫度較均勻且能代表整個箱內的平均溫度的冷藏室內側壁中點。
4.豆漿機電路
由CD4025,CD4060,LM324組成的豆漿機電路

圖3 CD4025,CD4060,LM324組成的豆漿機電路
5.煤氣爐熄火報警器電路

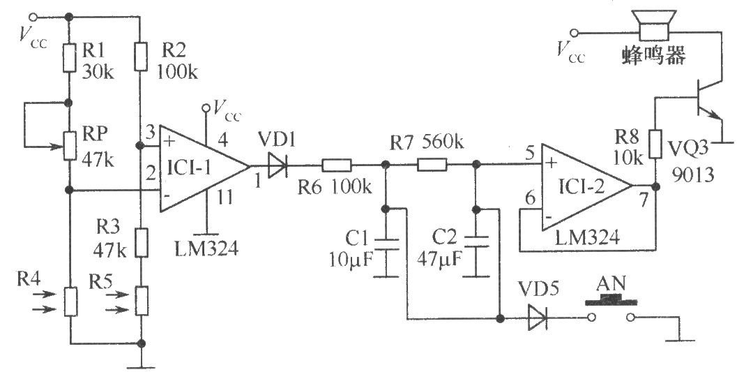
圖4 LM324的煤氣爐熄火報警器電路
本電路由LM324的煤氣爐熄火報警器電路。煤氣爐一旦因故熄火而又沒有及時發現,將是十分危險的。雖然某些高級煤氣爐有自動熄火控制保護裝置,但價格高難以普及。如圖所示為煤氣爐熄火報警裝置,可以對煤氣爐進行監視和報警。電路核心器件是LM324四運放。IC1-1作比較器,IC1-2作跟隨器;R4、R5為光敏電阻,其阻值隨光照強度而變化;AN為復位開關,用于泄放電容C1、C2的電荷;使用時,首先把光敏電阻R4對準火焰,轉動“調節旋紐”使報警器不報警。用手擋住火焰,此時應發出報警聲。一般調節兩三次即可達到要求。該電路使用9V疊層電池。
電話:18923864027(同微信)
QQ:709211280
〈烜芯微/XXW〉專業制造二極管,三極管,MOS管,橋堆等,20年,工廠直銷省20%,上萬家電路電器生產企業選用,專業的工程師幫您穩定好每一批產品,如果您有遇到什么需要幫助解決的,可以直接聯系下方的聯系號碼或加QQ/微信,由我們的銷售經理給您精準的報價以及產品介紹

