傳真:
18923864027
QQ:
709211280
地址:
深圳市福田區振中路84號愛華科研樓7層
DS1302,基于DS1302與單片機的定時開關設計詳解定時開關在人們生活中扮演著重要的角色,給人們的生活帶來了很大的方便。早在我國的古代采用
DS1302,串行時鐘芯片DS1302與DSP的接口設計介紹嵌入式設備多工作于實時環境,所以需要時鐘系統用以記錄事件發生的時刻,并及時將采集的數據
TL494集成電路,TL494的工作原理詳解TL494已成為一種工業標準芯片,由很多家集成電路廠商生產。廣泛應用于單端正激雙管式、半橋式、全橋式開
TL494,基于TL494的電動車電機控制器設計介紹面對內燃機車的廢氣污染和能源枯竭,電動汽車現在逐步走進了人們的生活。世界各大汽車生產廠家
TL494,基于TL494的音頻開關功率放大器設計圖解隨著高速功率MOSFET生產技術的迅速發展,MOSFET的工作頻率越來越高,驅動方式越來越安全,而
TL494,利用TL494構成的單回路控制器TL494是一種電壓驅動型脈寬調制控制集成電路,主要應用在各種開關電源中。本文介紹介紹了以電壓驅動型脈
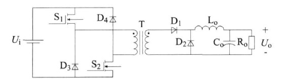
TL494的,基于TL494的雙管正激小功率電源設計正激變換由于拓撲簡單,升 降壓范圍寬,廣泛應用于中小功率電源變換場合。正激變換器的輸出功
TL494,基于TL494的PWM控制技術介紹隨著電力電子技術的發展,脈寬調制(Pulse Width Modulation,PWM)技術的應用日益引起人們的重視。本文
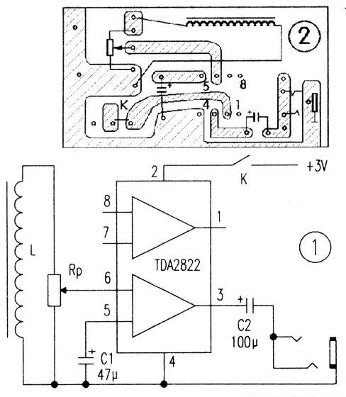
TDA2822M雙路音頻功放集成電路,TDA2822M的應用電路圖TDA2822M是一塊雙路音頻功放集成電路。特點是效率高、耗電小、靜態工作電流也只有6mA,
TDA2822的特點,TDA2822引腳功能與應用電路介紹TDA2822是雙通道單片功率放大集成電路,具有電路簡單、音質好、電壓范圍寬等特點,可工作于立
TDA2822集成功放電路,TDA2822的五種應用電路圖TDA2822是低電壓小功率功放集成功放電路,由于價格極為低廉(幾毛一塊),線路簡單,因此在低檔
TDA2030的引腳功能,TDA2030參數與應用電路圖解TDA2030是Pentawatt®封裝的單片集成電路,旨在用作低頻AB類放大器。通常它在14V 4&Omeg