傳真:
18923864027
QQ:
709211280
地址:
深圳市福田區振中路84號愛華科研樓7層
TVS瞬變二極管的作用與選型技巧介紹TVS二極管(瞬變二極管)瞬變二極管的作用:在規定的反向應用條件下,當承受一個高能量的瞬時過壓脈沖時
TVS瞬態抑制二極管的知識簡介瞬態抑制二極管是一種限壓型的過壓保護器件,也叫TVS,全稱Transient Voltage Suppressors,這種二極管可以
二極管性質與伏安特性二極管的通斷1、二極管是非線性元件,分析他在電路中的作用時,最重要的是搞清楚二極管有沒有導通。2、當陽極和陰極之
穩壓二極管的特性知識介紹穩壓二極管是一種特殊工藝制造的面結型硅半導體二極管,此類二極管雜質濃度比較高,空間電荷區的電荷密度比較大,
用穩壓二極管構造簡單電壓控制開關電路的介紹這里介紹了一種利用穩壓二極管搭建的簡易低成本的電壓開關電路,電路如上圖所示,V1為一可調電
穩壓二極管,穩壓電路圖知識介紹簡單的說,穩壓二極管(1SMA5931BT3G)其實就是利用二極管反向擊穿后在繼續增加電流的情況下二極管兩端電壓
穩壓二極管,整流二極管,開關二極管知識介紹一、穩壓二極管要理解穩壓二極管的工作原理,只要了解二極管的反向特性就行了。所有的晶體二極管
穩壓二極管的使用知識介紹穩壓二極管又叫齊納二極管,利用pn結反向擊穿狀態,其電流可在很大范圍內變化而電壓基本不變的現象,制成的起穩壓
晶體管與其內部原理介紹晶體管內部了解了半導體后,我們開始了解晶體管,也叫三極管。其內部由兩個PN結組成,自然有PNP和NPN兩種,但這不重
晶體管的結構,類型與三種組態介紹1 晶體管有兩大類型 雙極型晶體管(BJT)和場效應管(FET)。雙極型晶體管又稱為半導體三極管、晶體三極管,
晶體管負反饋放大電路的原理設計介紹串聯放大器與加入負反饋的思路之前講述的共射極放大電路,放大倍數只有5倍。就算再努力一點,也只能達
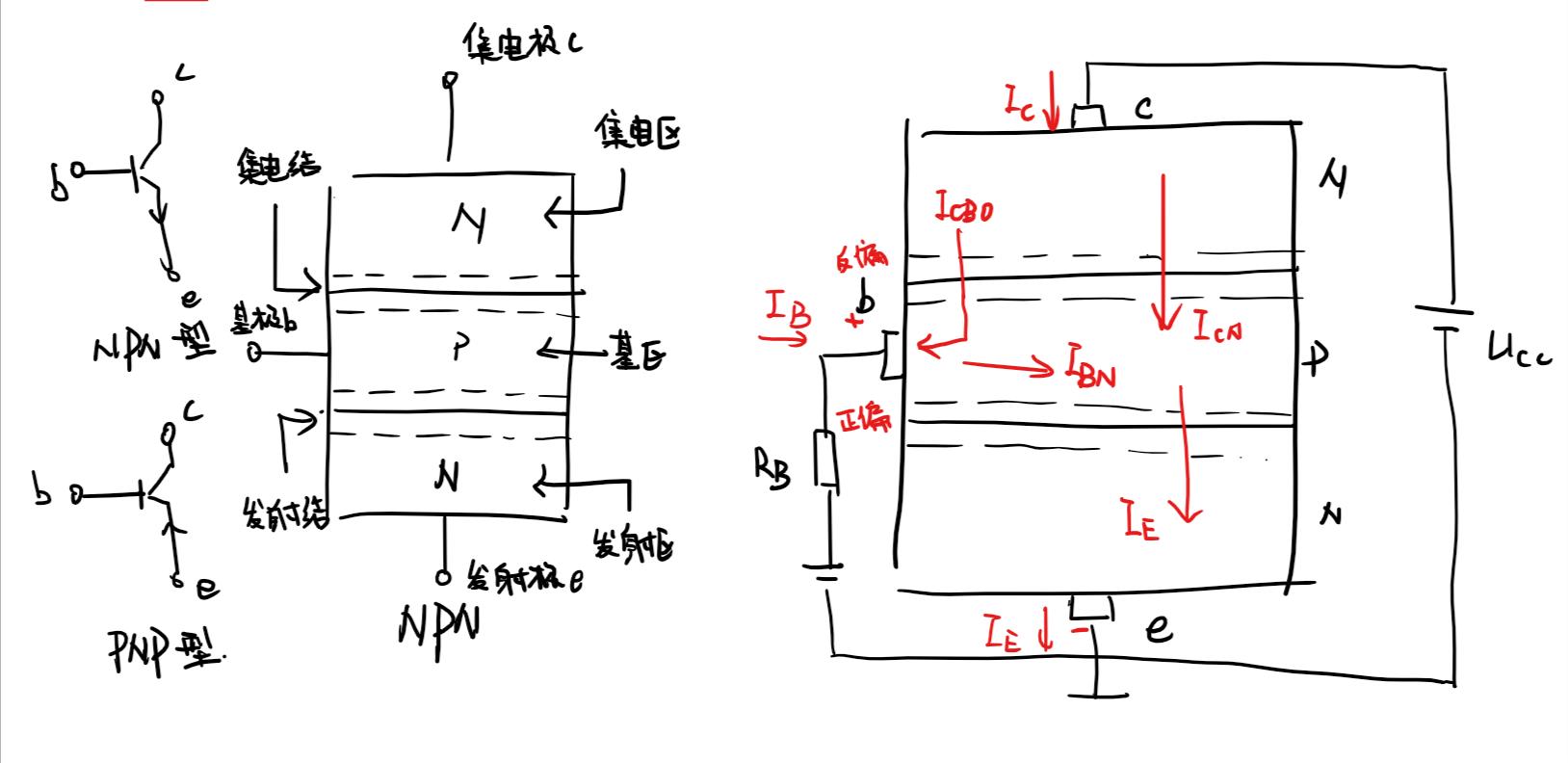
雙極結型晶體管(BJT)結構與放大原理介紹三極管分為NPN型和PNP型,常用的為NPN型,以下都以NPN型為例。三極管有三個電極,發射極、基極、集