傳真:
18923864027
QQ:
709211280
地址:
深圳市福田區振中路84號愛華科研樓7層
基于LM324電壓比較器的溫凝控制器設計介紹溫凝控制器廣泛應用于電力電子的高低壓配電柜、端子箱、變電站,用于實時檢測環境溫濕度變化,保
LM358的特性和工作原理介紹LM358內部包括有兩個獨立的、高增益、內部頻率補償的雙運算放大器,適合于電源電壓范圍很寬的單電源使用,也適用
基于LM358的聲控延時開關電路設計圖解LM358是將兩個運算放大器集成在一起的集成電路,因此稱為雙運算集成電路。其的封裝形式有塑封8引線雙
采用LM358組成的電路設計解析LM358是一種應用及其廣泛的雙運算放大器,它具有價格低,電壓范圍廣等優勢。本文將介紹由LM358組成的電路設計
LM358P的引腳功能與技術參數介紹lm358p是檔次非常高的雙運算放大電路,穩定性極高,價格便宜,此芯片由二個獨立的高增益運算放大器構成,該
利用LM386組成的振蕩器電路圖解LM386是一種小功率音頻放大集成電路,采用8腳雙列直插式塑料封裝,工作電壓4V-15V,當電源電壓為12V時,在8&
LM386的防治自激嘯叫措施與注意事項LM386廣泛應用于音頻功放電路,在絕大多數場合或單獨使用的情況下,LM386能正常工作,但是在和其他電路
LM386的典型應用電路介紹LM386是音頻功率放大器,主要應用于低電壓消費類產品。為使外圍元件最少,電壓增益內置為20。但在1腳和8腳之間增加
基于LM358的線性直流穩壓電源設計介紹本文利用LM358、場效應管、運算放大器設計制作一臺低壓差、寬范圍的線性直流穩壓電源,該電源在幾乎空
TL431的工作原理知識介紹TL431是一個有良好的熱穩定性能的三端可調分流基準電壓源,也被稱為電壓調解器或三端取樣集成電路,它的輸出電壓用
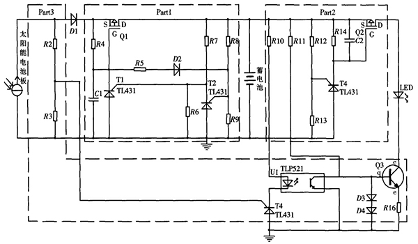
基于TL431的新型太陽能路燈控制器設計介紹太陽能路燈系統實質上是一個小的獨立光伏系統,主要由太陽能電池、蓄電池、控制電路、照明電路四
解析TVS管什么時候會失效在電子電路中如今常用的保護器件有:穩壓二極管、瞬態電壓抑制TVS管、ESD放電二極管、半導體放電管等先進的新型電