傳真:
18923864027
QQ:
709211280
地址:
深圳市福田區振中路84號愛華科研樓7層
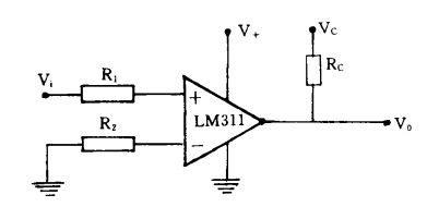
LM311線性比較器,LM311的使用注意事項介紹LM311是一種常用的線性比較器,它廣泛應用于比較及整形電路中,見圖1,但LM311在應用中卻經常出現
LM2576集成電路,LM2576的應用電路與注意事項LM2576系列的穩壓器是單片集成電路,能提供降壓開關穩壓器(buck)的各種功能,能驅動3A的負載,
利用LM2576-ADJ構成的單片式開關穩壓器介紹開關電源是一種高頻化電能轉換裝置,是電源供應器的一種。其功能是將一個位準的電壓,透過不同形
基于LM2576的可調穩壓電源電路設計圖解可調直流穩壓電源是采用當前國際先進的高頻調制技術,其工作原理是將開關電源的電壓和電流展寬,實現
采用LM2576構成的高效開關電源電路圖解眾所周知,一個性能優良的電源,是所有電子設備的能源保障。現在電子技術發展迅猛,對電源的要求更趨
基于LM2576的MCU電源設計解析微控制單元 ,又稱單片微型計算機(Single Chip Microcomputer )或者單片機,是把中央處理器(Central Proc
基于LM2576和AD8217的高精度恒流電源設計圖解目前鐵路信號燈主要采用雙絲白熾燈作為光源,但因其壽命問題,始終制約著信號燈的發展。隨著LE
LM1875,采用LM1875組成的各種功放電路LM1875是一款功放集成塊,它具有外圍電路少、不失真功率大、單雙電源均能工作,并且電路內自備過載、
基于LM1875的功放板設計介紹LM1875采用TO-220-5封裝結構,形如一只中功率管,體積小巧,外圍電路簡單,且輸出功率較大。該集成電路內部設有
基于LM1875組成的音頻功率放大電路圖解LM1875是音頻功放電路,采用TO-220封裝結構。該集成電路在±25V電源電壓RL=4Ω時可獲得20
LM3886集成電路,LM3886的特點和引腳功能介紹lm3886是大功率音頻放大集成電路,LM3886TF后面的TF為全絕緣封裝,和LM1875T相比,它的功率較大
利用LM3886組成的BTL功放線路圖解目前主流音頻功放集成電路的輸出功率普遍不算很大,除了一些STK厚膜功放以外一般都是不超過100W。對于家用