傳真:
18923864027
QQ:
709211280
地址:
深圳市福田區振中路84號愛華科研樓7層
ADC0809的工作原理介紹A D轉換器是模擬信號源與計算機或其它數字系統之間聯系的橋梁,其任務是將連續變化的模擬信號轉換為數字信號,以便計
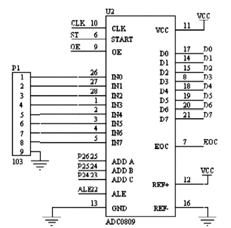
ADC0809,ADC0809的數字電壓表設計圖解ADC0809是CMOS工藝8通道,8位逐次逼近式A D模數轉換器。其內部有一個8通道多路開關,它可以根據地址碼
ADC0809,ADC0809的16通道數據采集系統設計詳解在日常實驗中,經常使用單片機系統實現數據采集功能,即實現實驗數據連續精確的數模轉換。ADC
AD0809與單片機的多路數據采集系統設計圖解數據采集是指將溫度、壓力、流量、位移等模擬物理量采集并轉換成數字量后,再由計算機進行存儲、
在液、氣的遠距離傳輸中,通常采用地下管道,由于本身制造中存在的沙眼缺陷和長期使用產生的腐蝕以及地面上重物的壓迫等原因使管道產生泄露
ADC0809集成電路,ADC0809的模數轉換接口電路設計和調試在微機測控系統中,模數轉換ADC和數模轉換DAC接口電路是數字電路單元與模擬數字電路
80C196KC與L298N的直流電機PWM控制系統設計圖解直流電機以其具有良好的調速性能、較大的起動轉矩和過載能力強等特點廣泛應用于各種領域。近
L298N集成電路,L298N芯片對離子滲氮中壓強的控制設計介紹眾所周知,離子滲氮工藝對爐體內壓強的控制要求比較高,因此本文設計了一種基于L29
UC3842集成電路,UC3842在電壓反饋電路中的應用詳解通常,PWM型開關電源把輸出電壓的采樣作為PWM控制器的反饋電壓,該反饋電壓經PWM控制器內
UC3842集成電路,UC3842的反激式AC-DC開關電源設計圖解電子設備的供電離不開直流電源,直流電源的作用主要是將交流電轉換為穩定的直流電。現
UC3842,基于UC3842的雙模電機控制設計介紹電動機作為當代最重要的機電能量轉換器,其應用已經在人們的生活中和國民經濟發展的各個領域中普
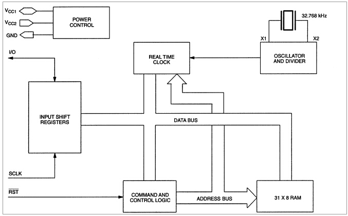
DS1302集成電路,DS1302的工作原理DS1302包括時鐘 日歷寄存器和31字節(8位)的數據暫存寄存器,數據通信僅通過一條串行輸入輸出口。實時時鐘