傳真:
18923864027
QQ:
709211280
地址:
深圳市福田區振中路84號愛華科研樓7層
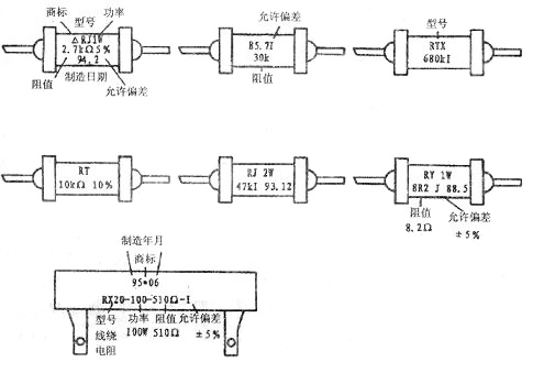
電阻器的幾種標注方法圖解電阻器是電子電路中應用數量最多的元件,通常按功率和阻值形成不同系列,供電路設計者選用。電阻器在電路中主要用
分流電阻器的工作原理和作用介紹生活中用來測量直流電流用的儀器,大家將其稱之為分流器,事實上,分流器是一個阻止很小的電阻,每當有直流
晶體管的結構和工作原理介紹晶體管被認為是現代歷史中最偉大的發明之一,在重要性方面可以與印刷術,汽車和電話等的發明相提并論。晶體管實
晶體管有多少種類晶體管是由三層雜質半導體構成的器件,有三個電極,所以又稱為半導體三極管,晶體三極管等,可以用于檢波、整流、放大、開
晶體管的檢測方法詳解晶體管作為一種可變電流開關,能夠基于輸入電壓控制輸出電流。與普通開關(如Relay、switch)不同,晶體管利用電訊號來
晶體管的代換原則介紹晶體管作為一種可變電流開關,能夠基于輸入電壓控制輸出電流。與普通機械開關(如Relay、switch)不同,晶體管利用電信
場效應晶體管的工作原理和特點介紹場效應晶體管(Field Effect Transistor縮寫(FET))簡稱場效應管。由多數載流子參與導電,也稱為單極型晶
絕緣柵雙極型晶體管的原理和結構詳解絕緣柵雙極晶體管(Insulate-Gate Bipolar Transistor—IGBT)綜合了電力晶體管(Giant Transistor—GT
場效應晶體管怎么選擇隨著電子設備的不斷更新,其的性能要求也越來越高,在某些電子設備的電路設計與研發中,不僅是開關電源電路,還是攜帶
晶體管工作狀態的判斷詳解晶體管是模擬電路中基礎的器件,是規范操作電腦,手機,和所有其它現代電子電路的基本構建塊。由于其響應速度快,
電力晶體管的驅動和保護介紹由于電力晶體管既具備晶體管飽和壓降低、開關時間短和安全工作區寬等固有特性,又增大了功率容量;因此由它所組
單結晶體管的原理與特性詳解單結晶體管(簡稱UJT)又稱基極二極管,是一種常用的半導體器件,它雖有三個管腳,很像半導體三極管,但它只有一