傳真:
18923864027
QQ:
709211280
地址:
深圳市福田區振中路84號愛華科研樓7層
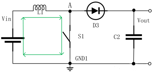
DCDC電源-同步整流與異步整流區別介紹DCDC降壓電路中存在同步整流和異步整流兩種工作方式,這兩種方式的工作原理圖如下:上圖可以看出,異
Buck電路,同步整流buck電路解析同步整流是采用通態電阻極低的專用功率MOSFET,來取代整流二極管以降低整流損耗的一項新技術。它能大大提高D
BUCK-BOOST負電壓電路圖文解析BUCK-BOOST是一種經典的負電源架構,屬于斬波器的一種,廣泛應用在OLED驅動、音頻等領域,其基本架構見下圖,
電路設計,BUCK-BOOST電路負壓生成詳解DCDC電路中的BUCK-BOOST電路,在一些OLED驅動芯片中,其往往會被運用到。對于DCDC電路,BUCK電路、BOO
電源電路,4開關升降壓BOB電源解析4開關BOB電源全稱是BUCK or BOOST升降壓電源,顧名思義,既可以降壓,又可以升壓,兼容BUCK和BOOST電源
BUCK-BOOST升降壓電源應用,優勢介紹開關BOB電源全稱是BUCK or BOOST升降壓電源,顧名思義,既可以降壓,又可以升壓,兼容BUCK和BOOST電源
開關電源為什么要加快放電功能,解析很多負載對電源有上電時序和電壓轉換速率(壓擺率)的要求,比如負載需要多路電源時,這些電源要有先后
LED電源設計,DC-DC降壓恒流電路介紹DC-DC降壓恒流電路設計DC DC轉換器是轉變輸入電壓并有效輸出固定電壓的電壓轉換器。DC DC轉換器分為三類
選擇Boost升壓電路的電感,三個公式介紹Boost升壓電路選擇電感BOOST電源架構是一種非常經典的升壓電源方案,它是利用開關管開通和關斷的時間
LDO分類,工作流程圖文介紹電子產品都要用到電源,在移動端消費類電子產品中,常用的有DCDC電源和LDO電源兩種,DCDC的優點是效率高,但是噪
NMOS LDO工作原理及特性解析NMOS 型的 LDO 的架構圖從上圖我們可以看到從功率型的晶體管變成了 N 型 mos 管,結構沒有變。NMOS LD
PMOS LDO原理,特性圖文解析NMOS 由于它的源極和門級之間的導通門限,使簡單構成的 NMOS LDO 它輸入和輸出之間的壓差不可能很小,必須