傳真:
18923864027
QQ:
709211280
地址:
深圳市福田區振中路84號愛華科研樓7層
電池供電電路設計實例介紹硬開關電路設計實例硬開關電路是將2節7號電池的串聯電壓通過DC DC轉換器MAX756轉換成3 3 V的電壓,電路圖如圖1所
兩種基本電流檢測電路介紹使用電流檢測電阻采樣電流,是測量電流的首選技術。測量電流的最簡單方法是使用分流電阻器(最左側),通過該電阻
橋式整流電路輸出電容容值計算實例介紹電容的選型和電容在不同電路中的應用場景有關,這篇文章就主要以橋式全波整流電路為例子,來進行所需
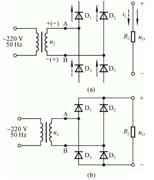
單相橋式整流電路圖,工作原理解析單相橋式整流電路單相半波整流電路的缺點是只利用了電源的半個周期,同時整流電壓的脈動較大。圖1,單相橋
單相全橋PWM整流電路,原理圖文介紹圖 單相全橋PWM整流電路圖給出了單相PWM整流電路的原理框圖。在UPS中,圖中的負載即為逆變器和蓄電池。
詳解運放失調電壓的影響與應對介紹在理想運算放大器的情況下,當輸入電壓 (V i ) 為 0 V時,V IN(+)和 V IN(-)端子的直流電壓完全
模擬設計中堆疊MOSFET介紹在28nm以下,由于最大器件長度限制,模擬設計人員經常要對多個短長度的MOSFET串聯來創建長溝道的器件。這些串聯連
MOSFET應用,LLC電路中的MOSFET介紹不同于PFC和Flyback等電路(對MOSFET體二極管沒有要求),因為LLC電路工作過程中,MOSFET的體二極管要參
啟動電流詳解與怎么測試啟動電流什么是啟動電流啟動電流是指電器設備(感性負載)在剛啟動時的沖擊電流,是電機或感性負載通電瞬間到運行平
BUCK同步整流SW點負壓產生與解決介紹下面是BUCK同步整流的實際等效模型,包括很多寄生電感,比如器件的引線電感,布線的寄生電感等。負壓產
BUCK電路同步整流與異步整流解析BUCK電路同步整流和異步整流兩種工作方式的區別異步整流同步整流由上圖可以看出,同步整流和異步整流的區別
同步開關電源與異步開關電源介紹開關電源:同步與非同步(1)非同步如果說我們的high mosfes和LOW mosfes同步的時候,會發現有些應用它就叫