傳真:
18923864027
QQ:
709211280
地址:
深圳市福田區振中路84號愛華科研樓7層
ESD的常識與防護介紹ESD含義即靜電放電:處于不同電位的兩個物體之間,由于直接接觸或靜電場感應導致的電荷傳輸(轉移)。可見,靜電與靜電
手機充電器電源變換電路的分析與應用分析一個電源,往往從輸入開始著手。220V交流輸入,一端經過一個4007半波整流,另一端經過一個10歐的電
三種防止反向電流損害的方法介紹在特定電路配置下,輸出電壓有時可能會高于輸入電壓。 這將導致反向電流狀況,并可能損壞您的電路。那么,
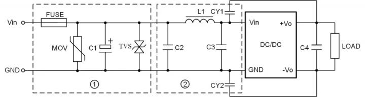
開關電源外圍壓敏電阻MOV與TVS管的選型方法開關電源作為產品系統供電核心,在設計電源時需外加保護電路以確保電源穩定供電,其中TVS(瞬態
DC-DC升壓電路,降壓電路,升降壓電路的工作原理與計算公式在本篇文章中,我將從不同方面深入介紹降壓、升壓和降壓-升壓拓撲結構。降壓轉換器
簡單的橋式整流電路的設計介紹由電源變壓器、四只整流二極管D1~4 和負載電阻RL組成。四只整流二極管接成電橋形式,故稱橋式整流。橋式整流
怎么實現基于運放的5V轉3 3V精密電源轉換器電路設計在將 5V 信號傳送給 3 3V 系統時,有時可以將衰減用作增益。如果期望的信號小于 5V
觸摸感應的電路ESD保護結構設計方案介紹電容式觸摸感應檢測按鍵電路是一類對靜電特別敏感的電路,因此靜電放電(ESD)保護結構的選擇問題對
串聯式開關電源輸出電壓濾波電路圖解大多數開關電源輸出都是直流電壓,因此,一般開關電源的輸出電路都帶有整流濾波電路。圖1-2是帶有整流
簡單的可編程振蕩器構建方法介紹數字電位器(digiPOT)功能多樣,應用廣泛,例如,用于濾除或生成交流信號。但是,有時頻率必須能夠有所變化
開關電源設計中RC吸收電路的意義詳細解析我們常用的AC-DC開關電源中,由于初級線圈的漏感而再次級線圈上產生的瞬間反向脈沖是非常嚴重的。
透過IGBT熱計算來優化電源設計的詳解大多數半導體組件結溫的計算過程很多人都知道。通常情況下,外殼或接腳溫度已知。量測裸片的功率耗散,