傳真:
18923864027
QQ:
709211280
地址:
深圳市福田區振中路84號愛華科研樓7層
LL4148二極管的作用-LL4148與1N4148區別LL4148二極管的作用:在電路中起到控制電流接通或關斷的作用,成為一個理想的電子開關。ll4148和1n4
LVDS失效保護電路的知識理解最近幾年,低壓差分信號(LVDS)[1]的高速數據互連已廣泛應用于消費電子產品、高速計算機外設、通信 網絡以及
排針的工作原理-排針作用介紹排針一般廣泛被應用于PCB板的連接上,有萬用連接器的美名。一般與其配對使用的有排母,線端等連接器。而隨著排
三極管放大電路的分類與其原理三極管單級放大電路在電子電路中是應用最多的單元電路。三極管單級放大電路有共基極放大器、共發射極放大器、
TIP42C參數資料-TIP42C引腳圖與功能TIP42C是功率三極管TIP42C 中文資料類別:分離式半導體產品家庭:晶體管(BJT) - 單路晶體管類型:PNP
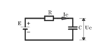
電容在電路中起到什么作用電容在電路中的作用電容在電路中的作用挺多的。從物理效應來看,可以是電能蓄水池,從阻抗匹配的角度看,可以是提
二極管整流電路原理-二極管整流電路圖解晶體二極管實際上就是一個P-N結所構成,它具有單向導電性,能使交流電變為直流電,這種作用稱為整流
低功率運放系列知識簡析一個新的運放系列相對于電源電流的速度指標達到了業界領先水平。LTC6261 LTC6262 LTC6263 系列 (單、雙、
常用共發射極放大電路解析有源濾波分為:低通濾波(積分電路);高通濾波(微分電路);帶通濾波(后期再和大家分享);帶阻濾波(后期再和大
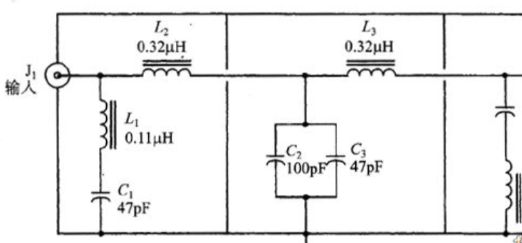
帶通濾波器電路的介紹帶通濾波器(band-pass filter)是指能通過某一頻率范圍內的頻率分量、但將其他范圍的頻率分量衰減到極低水平的濾波器
用高壓放大器簡化的BOM介紹由于運算放大器(運放)規格不同,工程師們經常需要選擇多個運放以滿足其電路板上每個子系統的需求。這會使從采
大功率信號發生器輸出級設計介紹信號發生器用來產生確定性電信號,其特性隨時間推移而變化。如果這些信號表現為簡單的周期性波形,如正弦波