傳真:
18923864027
QQ:
709211280
地址:
深圳市福田區振中路84號愛華科研樓7層
高速應用中使用JFET輸入放大器的優勢詳解電壓反饋放大器可根據器件中的晶體管類型進行分類:雙極互補金屬氧化物半導體(CMOS)或是結型場效
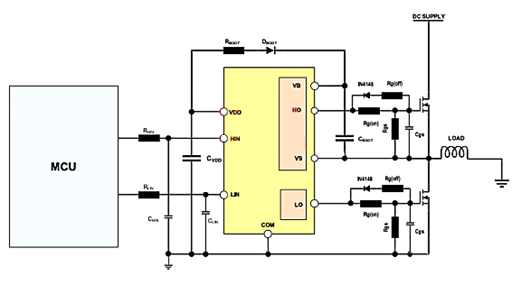
使用MOSFET與額外的肖特基二極管減少干擾解析在負載點(POL)降壓轉換器領域,同步變化的高邊和低邊有源開關已被廣泛使用。圖1顯示了具有理
ON狀態下的MOSFET與三極管有何區別介紹MOSFET是一種在模擬電路和數字電路中都應用的非常廣泛的一種場效晶體管。一般是金屬(metal)—氧化物(
正確理解驅動電流和驅動速度詳解測試對比以下通過實測兩款芯片SLM2184S和IR2184S的性能來說明驅動電流建立時間對驅動速度的影響。表格1對比
小功率電機驅動方案與驅動IC的選擇介紹電機驅動作為工業中工廠自動化整個閉環中的執行器環節,其性能好壞直接影響到整個閉環的性能。因此,
MOSFET,電源開關設計怎么選擇最優MOSFETMOSFET(金屬氧化物半導體場效應晶體管)主要用于開關應用中,具有高電壓和高電流的特點。它們具有
運算放大器中(軌到軌)的作用詳解設計放大電路時,隨著信號的幅度的增大,輸出信號逐漸增大。但會遇到下面兩種情況:1)當輸出信號增大到一
功率MOSFET的驅動電感性負載解析本文介紹了采用表面貼裝封裝設計LITTLEFOOT?功率MOSFET的過程。它描述了功率MOSFET的驅動電感性負載,公共
SiC MOSFET的橋式結構圖文解析20 世紀90 年代以來,碳化硅(silicon carbide,SiC)MOSFET 技術的迅速發展,引起人們對這種新一代功率器
SiC MOSFET柵極驅動電路與Turn-onTurn-off動作SiC MOSFET橋式結構的柵極驅動電路LS(低邊)側SiC MOSFET Turn-on和Turn-off時的VDS和ID
電阻最大電壓怎么計算,兩種計算方法介紹導體對電流的阻礙作用就叫該導體的電阻。電阻(Resistor,通常用R表示)是一個物理量,在物理學中表
運算放大器,運算放大器線性應用的重點知識詳解集成運算放大器是采用一定制造工藝將大量半導體三級管、電阻、電容等元件以及它們之間的連線