傳真:
18923864027
QQ:
709211280
地址:
深圳市福田區振中路84號愛華科研樓7層
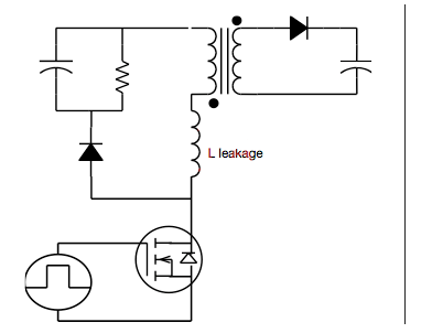
開關電源總是炸MOS管的原因詳解曾接觸過一個同行的朋友A(為方便起見,下文簡稱A),A說他們的開關電源總是炸MOS管,讓他很苦惱,一直在找
反相器的電路結構與工作原理介紹(一)TTL反相器電路結構2 電壓傳輸特性3 工作原理設 VCC=5V,VIH=3 4V,VIL=0 2VPN結的導通壓降VON=0 7VA
使用運算放大器與MOSFET構建電流負載介紹測試電源和電池需要電流負載,該電流負載能夠吸收大電流并消耗大量功率。只需使用一個運算放大器和
具有遲滯功能的欠壓與過壓閉鎖電路介紹如果電源電壓上升緩慢并且有噪聲,或者如果電源本身具有電阻(如電池中的電阻),導致電壓隨負載電流
MOSFET雪崩擊穿額定值理論解析雪崩模式定義所有半導體器件都具有一定的最大反向電壓額定值(功率 MOSFET 的 BV DSS)。高于此閾值的操
MOSFET數據表-開關參數介紹MOSFET數據表-開關參數圖1顯示的是,在TI CSD18531Q5A 60V MOSFET的兩個不同di dt速率上測得的輸出電荷和反向
MOSFET導通狀態漏源電阻圖文詳解MOSFET數據手冊中最突出的規格之一是漏極 - 源極導通電阻,縮寫為R DS (on)。這個R DS (on)的想
有刷電機驅動器的功耗計算方法介紹討論:是否可以用下面的公式計算電機驅動器IC的功耗?(IC電路電流+流過電機的電流)×電源電壓乍一
步進電機,雙極連接與單極連接圖文解析步進電機雙極連接、單極連接步進電機有雙極連接型和單極連接型兩種類型,每種都有其優缺點,因此需要
什么是柵極,源極電壓產生的浪涌介紹右側的電路圖是在橋式結構中使用SiC MOSFET時最簡單的同步升壓(Boost)電路。在該電路中,高邊(以下
有刷直流電機的結構與短路制動詳細解析有刷直流電機結構下面是經常在模型中使用的有刷直流電機的外觀,以及普通的兩極(2個磁體)三槽(3個
H橋電路驅動有刷直流電機方案詳解有刷直流電機有刷直流電機是一種直流電機,有刷電機的定子上安裝有固定的主磁極和電刷,轉子上安裝有電樞