傳真:
18923864027
QQ:
709211280
地址:
深圳市福田區振中路84號愛華科研樓7層
功放電路,功放電路圖文介紹功放,顧名思義,就是功率放大的縮寫。與電壓或者電流放大來說,功放要求獲得一定的、不失真的功率,一般在大信
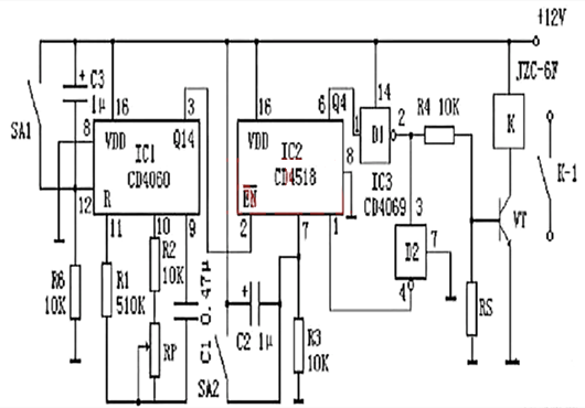
延時電路,幾種延時電路原理詳解1、 精確長延時電路圖該電路由CD4060 組成定時器的時基電路,由電路產生的定時時基脈沖,通過內部分頻器分
尖峰電流和PCB布局時的去耦電容解析尖峰電流的形成:數字電路輸出高電平時從電源拉出的電流Ioh和低電平輸出時灌入的電流Iol的大小一般是不
半導體元器件過電應力失效圖文解析半導體元器件在整機應用端的失效主要為各種過應力導致的失效,器件的過應力主要包括工作環境的緩變或者突
系統中采用低端驅動器的常見應用介紹本文介紹了一些在系統中采用低端驅動器的常見應用。這些電源變壓器的驅動器涉及隔離的柵極MOSFET。將包
串聯電路講解與電壓,電流關系解析串聯電路在串聯電路中,各段電壓與電阻成正比。幾個電路元件沿著單一路徑互相連接,每個節點最多只連接兩
MOSFET,怎么正確選擇MOSFETMOSFET有兩大類型:N溝道和P溝道。在功率系統中,MOSFET可被看成電氣開關。當在N溝道MOSFET的柵極和源極間加上正
SOT-23MOS管,SOT23引腳順序尺寸,SOT23封裝MOS管型號SOT-23 MOS管無論是P溝道還是N溝道,1腳為柵極,2腳為源極,3腳為漏極。SOT-23MOS管SOT
電源IC,怎么計算電源IC的功率損耗電源IC的功率損耗計算示例(內置MOSFET的同步整流型IC)圖中給出了從電源IC的損耗這個角度考慮時相關的部
雙極性電源怎么提供電流,原理分析雙極性電源提供電流的工作原理是怎么樣的呢?下圖的波形顯示了雙極性電源電路的工作狀態。在 VIN 端施加
MOSFET,關于MOSFET這些一定要知道MOSFET就是我們俗稱的MOS管,常用的就是用MOS管來做開關器件。我們通常選MOS管會希望其有如下的參數:1、
高速MOSFET中誤啟動的發生機制詳解某些情況下,即使使用高速MOSFET也無法降低導通損耗。本文就其中一個原因即誤啟動現象進行說明。什么是誤