傳真:
18923864027
QQ:
709211280
地址:
深圳市福田區振中路84號愛華科研樓7層
使用功率場效應管的可調穩壓電源知識這里介紹用一只V-MOS功率場效應管作調整管的穩壓電源。直流輸出電壓可在1 25V~12V連續可調,輸出電流為
電鍍電源改成100A鋁焊機的經驗主電路還是老一套,因為容量小,才用了4只IRF360(25A/400V)作為全橋四臂,反饋取樣都還是一樣,主變取TDK
新型抑制浪涌電流電路的設計知識在現代電子設備中有許多繼電器用于電源開關。但在開關過程中,常伴隨著幾個到幾十個毫秒的觸點回跳和抖動過
關于直流電防接反電路的匯總本文是關于直流電防接反電路的知識總結,感興趣的朋友可以看看。對于平常日用的一些產品,產品在進行設計時就會
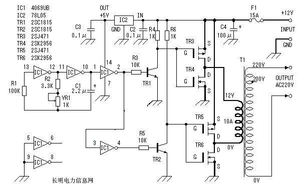
12V轉交流220V逆變器工作原理圖解簡介:今天我們來介紹一款逆變器(見圖1)主要由MOS場效應管,普通電源變壓器構成。其輸出功率取決于MOS場效
氮化鎵場效應晶體管的驅動器與版圖的考慮因素之前的文章討論了氮化鎵場效應晶體管的優勢,以及它具備可實現更高效率和更快開關速度的潛力,
關于NPN與PNP三極管的簡單判斷對于NPN或者PNP這個東西在電路里面經常遇到,本文提供一種簡單的判斷方式。首先認識一下PNP或者NPN,其主要包
絕緣柵型場效應管圖解本文圖文結合的解析了絕緣柵型場效應管的工作原理增強型:VGS=0時,漏源之間沒有導電溝道,在VDS作用下無iD。耗盡型:
IGBT場效應管的工作原理與檢測方法IGBT(Insulated Gate Bipolar Transistor)又稱絕緣柵雙極型晶體管,是由BJT(雙極型三極管)和MOS(絕緣
場效應晶體管的幾個使用知識我們常接觸到晶體三級管,對它的使用也比較熟悉,相對來說對晶體場效應管就陌生一點,但是,由于場效應管有其獨
場效應管的基本應用-共源極放大器知識1)靜態工作點的測試上圖為場效應管共源極放大器實驗電路圖。該電路采用的自給偏壓的方式為放大器建立
淺談LLC變壓器設計經驗適用于LLC變壓器,其特征在于,包括:第一MOS開關管、第二MOS開關管、第一電容、電感和至少兩個變壓器;所述變壓器的