傳真:
18923864027
QQ:
709211280
地址:
深圳市福田區振中路84號愛華科研樓7層
電源引起的電磁干擾解析電磁干擾是電子設備和系統設計當中不能回避的問題。電源是把電子設備和電源網絡聯系起來的部分,因此電源引起的電磁
IGBT驅動關鍵技術知識摘要:為解決中、大功率等級IGBT的可靠驅動問題,本文提出了驅動電路的關鍵參數設計方案。同時,在變流器極端工況下研
常用的功率半導體器件盤點大全電力電子器件(Power Electronic Device),又稱為功率半導體器件,用于電能變換和電能控制電路中的大功率
基于DSP的三相SPWM變頻電源的設計知識變頻電源作為電源系統的重要組成部分,其性能的優劣直接關系到整個系統的安全和可靠性指標。現代變頻
常見的有源電子器件與無源電子器件匯總簡單地講就是需能(電)源的器件叫有源器件,無需能(電)源的器件就是無源器件。有源器件一般用來信號放
開關電源的常見故障與維修技巧目前,開關電源已逐漸進入我們的日常生活和生產中,它以節能,環保,性價比高等優點,很快取代了以往傳統的那
開關電源與普通電源有什么區別什么叫開關電源?開關電源是利用現代電力電子技術,控制開關管開通和關斷的時間比率,維持穩定輸出電壓的一種
基本共射放大電路工作原理與共射放大電路的組成組成:電路結構VT 電流放大元件UCC 直流電源。與 RB、RC 配合,保證管子的發射極正偏、
電源管理IC芯片的8種類型講解在日常生活中,人們對電子設備的依賴越來越嚴重,電子技術的更新換代,也同時意味著人們對電源的技術發展寄予
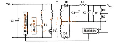
雙驅動推挽DC-DC變換器方案分享之設計原理解析在工業控制以及汽車驅動等領域中,為了使電路系統具有更高的轉換效率,工程師們往往需要選擇
MCU引腳輸出模式中推挽輸出及開漏輸出電路原理區別開漏輸出:輸出端相當于三極管的集電極 要得到高電平狀態需要上拉電阻才行 適合于做電
MOS管被靜電擊穿的原因解析MOS管一個ESD敏感器件,它本身的輸入電阻很高,而柵-源極間電容又非常小,所以極易受外界電磁場或靜電的感應而帶