傳真:
18923864027
QQ:
709211280
地址:
深圳市福田區振中路84號愛華科研樓7層
三極管的開關電路分析圖(12V—SW)在這里做個小電路的分析,大家都可能用到,這里把模型分解一下,并介紹一下計算方法和各個元件的作用。Q1
三極管開關電路對比場效應管電路優劣大不同一般我們在做電路設計時候,三極管開關電路和MOS管開關電路有著以下四種區別:首先是三極管是用
全系列三極管應用參數大全名 稱 封裝 極性 功 能 耐 壓 電 流 功 率 頻 率 配對管2N2369 4A NPN 開關 40V 0 5A 0 3W
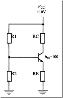
三極管偏置電路分析方法介紹偏置電路的作用是給三極管提供基極直流電流,這一電流又稱基極靜態偏置電流。只有當三極管工作在放大狀態時,才
三極管的工作條件與工作狀態的判斷1 集電極電阻Rc:在共發射極電壓放大器中,為了取出晶體管輸出端的被放大信號電壓Use(動態信號),需要在集
三極管的基本放大電路設計圖解三極管是電流放大器件,有三個極,分別叫做集電極C,基極B,發射極E。分成NPN和PNP兩種。我們僅以NPN三極管的
三極管用電控制的開關知識第一次還是先講一講經常使用的三極管吧!在mpn里,大家會經常見到一些黑色的三個腳的東西:這樣的東西在我們維修的
三極管各種參數如何選取問題(共射極放大電路)1 Vcq為集電極的靜態工作電壓,Vcq的選取為了避免出現飽和和截止失真,使Vcq ≈ 1 2 *
三極管判定的口訣技巧詳情講解三極管的管型及管腳的判別是電子技術初學者的一項基本功,為了幫助讀者迅速掌握測判方法,筆者總結出四句口訣
三極管放大電路設計步驟圖解1) 分析設計要求電壓增益可以用于計算電壓放大倍數;最大輸出電壓可以用于設置電源電壓輸出功率可以用于計算發
三極管與MOS管做開關用時的區別我們在做電路設計中三極管和MOS管做開關用時候有什么區別 工作性質:1 三極管用電流控制,MOS管屬于電壓控
三極管工作原理與主要參數詳解三極管(全稱:半導體三極管,也稱雙極型晶體管、晶體三極管),是一種控制電流的半導體器件其作用是把微弱信