傳真:
18923864027
QQ:
709211280
地址:
深圳市福田區振中路84號愛華科研樓7層
米勒效應對MOSFET開關過程有什么影響嗎下面以圖10中電機控制電路來說明米勒效應對MOSFET開通關斷過程的影響。在圖10控制電路中,上管導通時
MOS管選型,MOSFET應用方案解析MOSFET應用案例解析1、開關電源應用從定義上而言,這種應用需要MOSFET定期導通和關斷。同時,有數十種拓撲可
MOSFET的門源極并聯電容介紹MOSFET門源極并聯電容后,開關可靠性得到提升開關電路如下圖:電路解釋1 該電路用于高邊開關,當MOS_ON 網絡拉
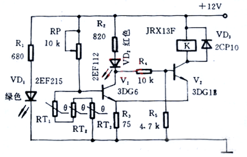
電路設計,過熱保護電路圖介紹過熱保護電路圖(一)原理電路是以電機過熱保護為例,由PTC熱敏電阻和施密特電路構成的控制電路。圖中,RT1、R
幾種簡單的音調電路圖介紹音調電路圖(一)本次的音調控制電路,其中Ai為緩沖放大級,用以降低前級輸出的負擔。該電路的低頻轉折頻率為30Hz
提升MOS管驅動電路抗干擾性能介紹抗干擾能力對于MOS管驅動電路是一個重要指標,MOS管不是工作在一個理想的沒有任何電磁干擾的環境,在一些
基于BUCK-BOOST拓撲的LED驅動電路介紹當LED發光二極管驅動電路需要的電壓輸入范圍比較寬時,這時候選用BUCK電路或者BOOST電路可能都不太合
MOS驅動,PCB布線技巧圖文解析開關電源在布線上最大的特點是拓撲引起的高頻(高壓)強電流與控制級的弱電信號交織在一起,首先要保證強電流
LED驅動電源電路圖介紹LED驅動電源電路圖(一)電路工作原理LED樓道燈的電路如下圖所示。電路由電容降壓電路、整流電路、LED發光電路和光電
MOSFET半橋驅動電路應用實例詳解半橋驅動電路應用實例圖所示為直流無刷電機驅動器半橋驅動芯片上橋的自舉電壓(CH1: VBS)和驅動電壓(CH
H橋,三種H橋驅動方式詳解三種H橋驅動方式1、受限單極驅動(高端驅動)負載與GND相連。即H橋的上半橋臂用PWM控制,而下半橋臂常開。T0時刻Q1
H橋電機驅動電路原理圖介紹什么是H橋?H橋是一個比較簡單的電路,通常它會包含四個獨立控制的開關元器件(例如MOSFET),它們通常用于驅動電