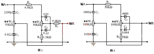
音調電路圖(一)
本次的音調控制電路,其中Ai為緩沖放大級,用以降低前級輸出的負擔。
該電路的低頻轉折頻率為30Hz,高頻轉折頻率為1kHz,控制范圍為±20dB.使用運算放大器不僅能設計出具有高低音控制功能的音調電路,而且也能設計出具有高中低音控制功能的音調控制電路,實際電路如下圖所示。

音調電路圖(二)
這里有一個電路設計,一個有吸引力的簡單的音調控制電路。這個電路是被動式的,它不需要電源,對音頻電平沒有放大作用,并且有一定的削弱。
可以看出,該電路被構造成兩個T形過濾器,以同樣的方式作為靈活的低音和高音音調控制。兩個T型過濾器左臂連接到音頻輸入端,右臂連接到地,中心點連接輸出端。
P1和P2控制低音高音。想聽到更多的低音,你應該把P1向R1的方向移動。而相比之下,更多的高音,你應該在向C3的方向移動P2。
當然,這并不是一個高質量的音調控制電路,但它最適合用于小型放大器,如250毫瓦的放大器。需要注意的是電路工作在線路電平,他們必須進入最后放大階段再行輸出。

音調電路圖(三)
給一個不帶音調控制功放加裝一個高低音電路,即音調控制電路,可以滿足渲染某種氣氛、達到某種效果、或補償揚聲器系統及放音場所的音響不足。
音調控制就是人為地改變信號里高、低頻的成分,這個控制過程其實并沒有改變節目里各種聲音的音調(頻率),所謂“音調控制”只是個習慣叫法,實際上是“高、低音成分調節”或“音色調節”。
一個良好的音調控制電路,要有足夠的高、低音調節范圍,但又同時要求高、低音從最強到最弱的整個調節過程里,中音信號(通常指1000赫)不發生明顯的幅度變化,以保證音量大致不變。

音調電路圖(四)
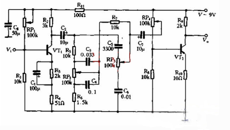
介紹的是一款衰減式的音調控制電路圖。本電路主要是由晶體管和RC網所絡組成。如下圖所示,由于C4、R的分路作用,對高頻分量有很大的衰減,相對提升了低音。
當滑動觸點位于電位器下端時,C被短路,音頻信號通過Q、R5、C3、馬送到VTz的基極,由于Q與C串聯,由于C3容量較小,對低音信號呈現較大的容抗,低音難以通過,因而低音被衰減了,所以RP2對低音起到了控制作用。

礎專是高音控制電位器,當礎專的滑動觸點位于電位器上端時,音頻信號經巴與c5串聯送到VT2的基極。由于/C5容量很小,對低音的容抗很大,使低音不能順利通過,而對高音則可順利通過。
還由于RP3與C6串聯后阻抗很大,對高音的旁路作用不大,這樣就相對地提升了高音。當砌、的滑動點位于電位器下端時,高音則因受到RP3的衰減及C6的旁路而減弱,這樣高音就被衰減。
〈烜芯微/XXW〉專業制造二極管,三極管,MOS管,橋堆等,20年,工廠直銷省20%,上萬家電路電器生產企業選用,專業的工程師幫您穩定好每一批產品,如果您有遇到什么需要幫助解決的,可以直接聯系下方的聯系號碼或加QQ/微信,由我們的銷售經理給您精準的報價以及產品介紹
聯系號碼:18923864027(同微信)
QQ:709211280

