傳真:
18923864027
QQ:
709211280
地址:
深圳市福田區振中路84號愛華科研樓7層
兩個PMOS管背靠背用法解析下面的這個電路。2 個 PMOS 并聯電路描述:Q3 是三極管,Q1 和 Q2 是 PMOS 管,左右兩邊的+12V 是輸入
固體繼電器知識介紹固態繼電器(Solid State Relay,縮寫SSR),是由微電子電路,分立電子器件,電力電子功率器件組成的無觸點開關。用隔
PCB對TVS過壓防護有什么影響1前言 TVS 二極管是過壓防護最常用的器件,在器件正確選型后,是否就完成了設計呢?如何使 TVS 在電路中應
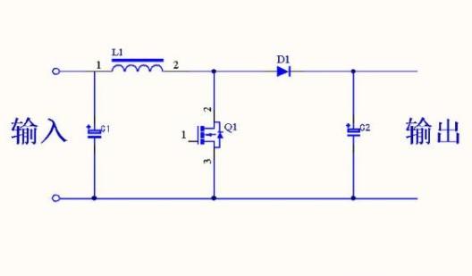
升壓電路圖解析可以將電壓升高的電路。輸出電壓高于輸入電壓。用途:利用升壓電路來滿足所需電壓的要求。制作:利用升壓變壓器、利用電壓變
開關電源拓撲結構知識分享1、基本的脈沖寬度調制波形這些拓撲結構都與開關式電路有關。基本的脈沖寬度調制波形定義如下:2、Buck降壓把輸入
穩壓管穩壓電路與原理解析一、電路組成由穩壓二極管 Dz 和限流電阻 R 所組成的穩壓電路是一種最簡單的直流穩壓電源。從該穩壓管穩壓電
分析電感上的DC電流效應在開關電源的設計中電感的設計為工程師帶來的許多的挑戰。工程師不僅要選擇電感值,還要考慮電感可承受的電流,繞線
電子鎮流器電路圖解析從工作原理而言,電子鎮流器是一個電源變換電路,它將交流輸入市電電源的波形、頻率和幅度等參數進行變換。電子鎮流器
OLED的特性與其驅動方式詳解OLED 即有機發光二極管,又稱為有機電激光顯示、有機發光半導體。它是由一薄而透明具半導體特性之銦錫氧化物(
固態繼電器原理圖與作用是什么固態繼電器是用半導體器件代替傳統電接點作為切換裝置的具有繼電器特性的無觸點開關器件,單相SSR為四端有源
音響電路圖解析音響大概包括功放、周邊設備(包括壓限器、效果器、均衡器、VCD、DVD等)、揚聲器(音箱、喇叭)、調音臺、麥克風、顯示設備等等
電源電路的PCB布局介紹電源電路是一個電子產品的重要組成部分,電源電路設計的好壞,直接牽連產品性能的好壞。我們電子產品的電源電路主要