傳真:
18923864027
QQ:
709211280
地址:
深圳市福田區振中路84號愛華科研樓7層
單向可控硅知識介紹可控硅(SCR是可控硅整流器的簡稱。可控硅有單向、雙向、可關斷和光控幾種類型。它具有體積小、重量輕、效率高、壽命長、
電腦電源電路圖解析電腦電源電路是把220伏(V)交流電,轉換成直流電,并專門為電腦配件bai如CPU、主板、硬盤、內存條、顯卡、光盤驅動器等
開關穩壓電源知識介紹開關型穩壓電源是由全波整流器,開關管,激勵信號,續流二極管,儲能電感和濾波電容組成。實際上,開關穩壓電源的核心
繼電器控制電路圖解析繼電器控制電路能帶動繼電器工作的CMOS集成塊。1 繼電器控制電路作用繼電器控制電路直接帶動繼電器工作,而且工作穩
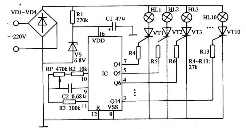
彩燈控制電路圖解隨著微電子技術的發展,人民的生活水平不斷提高,人們對周圍環境的美化和照明已不僅限于單調的白熾燈,彩燈已成為時尚的潮
LCD驅動電路解析綠,紅,藍三個節點波形產生在嵌入式系統里,較多場合需要 LCD 人機界面。分析以下 LCD 驅動電路。LCD_VIN 是 3 6~5V,
led照明電路圖解析LED是低壓發光器件,具有長壽命、高光效、安全環保、方便使用等優點。對于市電交流輸入電源驅動,隔離輸出是基于安全規范
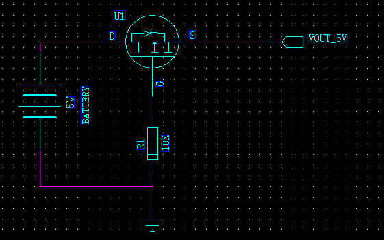
MOS管防電源反接電路介紹首先用 PMOS 管畫了一個。輸入電源是 5V,當 5V 正常接時,5V 從 U1 的 D 極經過體二極管到達 S 極,
可控硅調壓電路知識可控硅調壓電路以可控硅(電力電子功率器件)為基礎,以智能數字控制電路為核心的電源功率控制電路。1 可控硅調壓電路作
CMOS靜電與過壓問題解析對于模擬 CMOS(互補對稱金屬氧化物半導體)而言,兩大主要危害是靜電和過壓(信號電壓超過電源電壓)。了解這兩大
詳解AC DC電源三步-整流,PFC及隔離什么是電源?電源是將來自電源的能量轉換成為負載供電所需的電壓值,比如電機或電子設備。電源主要有兩種
雙電源自動切換電路分享今天分享一個雙電源切換電路,在電子設計中經常會用到。工作原理:1、有 BAT1 3 8V,沒有 VIN_5V 時:電壓從 U