傳真:
18923864027
QQ:
709211280
地址:
深圳市福田區振中路84號愛華科研樓7層
繼電器驅動電路圖分析繼電器驅動電路是一種當輸入量變化到某一定值時,其觸頭(或電路)即接通 或分斷交直流小容量控制回路。1 繼電器驅動
開關控制器MOSFET的選擇方法介紹DC DC 開關控制器的 MOSFET 選擇是一個復雜的過程。僅僅考慮 MOSFET 的額定電壓和電流并不足以選擇到
電容降壓原理知識介紹將交流市電轉換為低壓直流的常規方法是采用變壓器降壓后再整流濾波,當受體積和成本等因素的限制時,最簡單實用的方法
MOS管GS波形圖解析對于咱們電源工程師來講,我們很多時候都在看波形,看輸入波形,MOS 開關波形,電流波形,輸出二極管波形,芯片波形,MO
24v繼電器工作原理與接法24V 直流繼電器工作原理控制端輸入的直流電壓使繼電器內部的發光二極管工作,通過光耦合使處于輸出回路中的雙向可
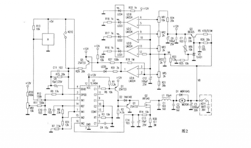
電動車控制器電路介紹簡略地講控制器是由周邊器件和主芯片(或單片機)組成。電動車控制器電路圖1 電動車控制器電路圖電動車控制器電路原
用于低功耗AC DC轉換的倒置降壓介紹離線電源是最常見的電源之一,也稱為交流電源。隨著旨在集成典型家用功能的產品數量的增加,對所需輸出
大功率開關電源電路知識介紹大功率電源大至由主功率電路、PWM控制電路、單片機控制電路、輔助電源四大部份組成。1 大功率開關電源電路圖開
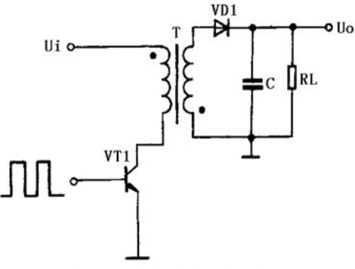
反激開關電源知識介紹反激開關電源是指使用反激高頻變壓器隔離輸入輸出回路的開關電源。什么是反激開關電源反激指的是在開關管接通的情況下
LED節能燈電路圖解析LED節能燈是繼緊湊型熒光燈(即普通節能燈)后的新一代照明光源,LED節能燈環保不含汞,可回收再利用,功率小,高光效
電流互感器和電壓變壓器的區別介紹我們將設計一個電流互感器。使用電流互感器可以減小測量變換器原邊電流時的損耗,比如大功率開關電源,由
LED驅動器知識詳解目前發光二極管驅動芯片按類型可分為:恒壓式驅動芯片、恒流式驅動芯片以及脈沖式驅動芯片。其中恒壓式驅動芯片一般就是