傳真:
18923864027
QQ:
709211280
地址:
深圳市福田區振中路84號愛華科研樓7層
繼電器的原理和驅動電路布局技巧繼電器是一種電子控制器件,它具有控制系統(又稱輸入回路)和被控制系統(又稱輸出回路),通常應用于自動
開關式穩壓電源的基本工作原理介紹傳統的線性穩壓電源雖然電路結構簡單、工作可靠,但它存在著效率低(只有 40% - 50% )、體積大、銅
LED驅動電源紋波處理方法介紹LED 在生活中處處可見,有顯示屏的,也有照明的,但是有很多人不知道 LED 燈需要 LED 驅動器來驅動,LED
電流互感器什么是-如何設計電流互感器使用電流互感器可以減小測量變換器原邊電流時的損耗,比如大功率開關電源,由于電流過大所以需要使用電
鉗位電路原理與分類鉗位電路簡介鉗位電路(clamping circuit) 是將脈沖信號的某一部分固定在指定電壓值上,并保持原波形形狀不變的電路。
DC-DC BUCK自舉電路知識介紹DC-DC BUCK 芯片的外圍電路設計中,我們一般會在 BOOT 和 SW 管腳之間加電容或者電容+電阻組合,這一塊
開關電源產生干擾的原因與控制技術1 電磁干擾的產生與傳輸電磁干擾傳輸有兩種方式:一種是傳導傳輸方式,另一種則是輻射傳輸方式。傳導傳輸
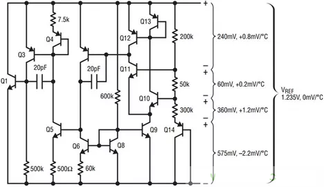
基準電壓源選擇技巧介紹基準電壓源電路有許多方法可以設計基準電壓源 IC,而每種方法都有特定的優點和缺點。基于齊納二極管的基準電壓源深
常用的幾種防反接電源電路設計介紹子設備接入電源最怕的就是正負極接反了。若沒有防反接電路,那就不知會發生什么情況了, 元件損壞那是肯
IGBT驅動電路圖的工作原理知識介紹IGBT,絕緣柵雙極型功率管,是由 BJT(雙極型三極管)和 MOS(絕緣柵型場效應管)組成的復合全控型電壓驅動
耦合的意思是什么耦合是指兩個或兩個以上的電路元件或電路網絡的輸入與輸出之間存在緊密配合與相互影響,并通過相互作用從一側向另一側傳輸
LM3886功放電路圖解析在額定工作電壓下最大可達68W的連續不失真平均功率,同樣具有比較完善的過壓過流過熱保護功能,最可貴的是它具有自動