傳真:
18923864027
QQ:
709211280
地址:
深圳市福田區振中路84號愛華科研樓7層
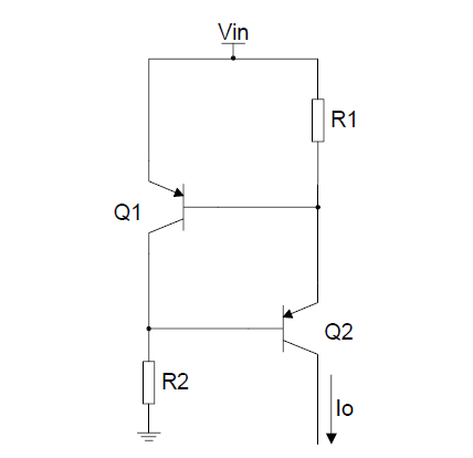
常見恒流電路在電源模塊中的作用介紹隨著工業智能化進程的不斷深入,嵌入式系統對供電的要求越來越高,對輸入電壓范圍也越來越寬,對輸出電
LED燈的不同連接形式與特點介紹LED 是基于電致發光原理的固體半導體光源,具有色彩豐富、體積小巧、高亮度、壽命長、工作電壓低、使用安全
怎么降低開關電源的待機功耗關于開關電源的損耗問題一直困擾著無數工程師,今天結合電路來深入分析下開關損耗的改善辦法。輸入部分損耗1、
雙極性,單路輸出,可調節電源的設計思路解析臺式電源(PS)往往有偶數個端口(忽略機箱端口):一個正端口和一個負端口。使用臺式電源產生正極
差分放大電路原理與基礎知識1、什么是差分信號?為什么要用差分信號?兩個芯片要通信,我們把它們用一根導線連接起來,一個傳輸 1,另一個
Boost升壓電路原理介紹通常,開關 Q1 導通電感儲能,電容 C 供電,在開關 M1 關閉后,產生左負右正電動勢使二極管導通并供電。Boost
基于CPLD的CCD驅動模塊設計介紹1總體方案設計線陣 CCD 一般不能直接在測量裝置中使用,因此 CCD 驅動信號的產生及輸出信號的處理是設計
單片機上拉電阻應用與阻值選擇原則上拉電阻應用原則1、當 TTL 電路驅動 COMS 電路時,如果 TTL 電路輸出的高電平低于 COMS 電路的
光耦電流傳輸比(CTR)對開關電源的影響介紹光耦的技術參數主要有發光二極管正向壓降 VF、正向電流 IF、電流傳輸比 CTR、輸入級與輸出級之
LED驅動電源知識分享一、LED 驅動電源你了解多少?■輸入電壓范圍使用者看到電源上的標示輸入電壓范圍是 85-265VAC 而實際使用時候則是
分析單電源產生多輸出時的交叉調整率1 反激式電源當選擇一個可從單電源產生多輸出的系統拓撲時,反激式電源是一個明智的選擇。由于每個變壓
簡單的功放電路介紹放大器有交流放大器和直流放大器。交流放大器又可按頻率分為低頻、中源和高頻;接輸出信號強弱分成電壓放大、功率放大等