傳真:
18923864027
QQ:
709211280
地址:
深圳市福田區振中路84號愛華科研樓7層
在射頻電路設計PCB布線時降低信號耦合的技巧介紹一輪藍牙設備、無繩電話和蜂窩電話需求高潮正促使中國電子工程師越來越關注RF電路設計技巧
穩定電壓基準電路設計要點介紹為了更快速有效地連接模擬和數字世界以利用物聯網(IoT),忽略電壓基準的關鍵作用是容易但不明智的。模數(A
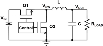
開關電源共模電感計算的方法詳解電感器作為磁性元件的重要組成部分,被廣泛應用于電力電子線路中。尤其在電源電路中更是不可或缺的部分。如
cmos電路中esd保護結構原理與應用ESD(靜電放電)是CMOS電路中最為嚴重的失效機理之一,嚴重的會造成電路自我燒毀。論述了CMOS集成電路ESD保
NTC熱敏電阻的多種電路設計介紹在啟動電子設備(如開關電源(SMPS)或逆變器)時,設備會通過具有高峰值的瞬時異常電流。它被稱為勵磁涌流,如
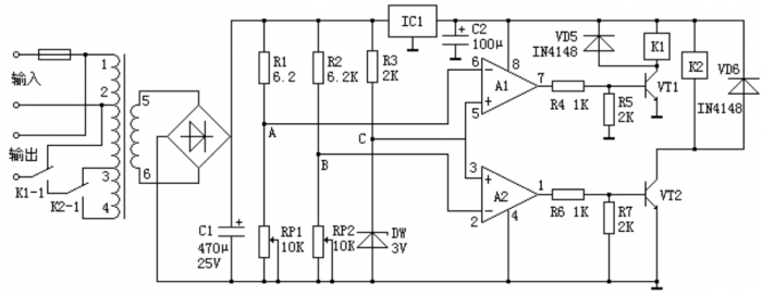
自制自動控制電源適配器介紹大家一定有這樣的經驗,手中總有一些耗電量較大的用電器由交流電源適配器為之供電。比如隨身聽、數調收音機、隨
怎么選擇輸出段元件最大化DC-DC同步降壓轉換器性能開關電源如今在行業中的應用非常廣泛,為多種終端應用提供高能效方案。它們常用于計算機
在實踐中測量IGBT的延遲時間,及根據測量值計算控制死區時間在現代工業中,采用IGBT器件的電壓源逆變器應用越來越多。為了保證可靠的運行,
變頻器為何使用制動電阻在變頻調速系統中,電機的降速和停機是通過逐漸減小頻率來實現的,在頻率減小的瞬間,電機的同步轉速隨之下降,而由
MOSFET驅動器的驅動能力介紹MOSFET 功率開關是開關模式電源轉換器里最重要的元件,如果它被集成進 IC 里,這種器件便可以被稱作轉換器;
保證可靠電源供給,交流穩壓器電路設計介紹目前在我國偏遠的山區及農村,電網電壓極不穩定,而且電壓普遍偏低,有的電網電壓只有 120V 左
采樣保持電路圖解析采樣保持電路(采樣 保持器)又稱為采樣保持放大器。當對模擬信號進行A D轉換時,需要一定的轉換時間,在這個轉換時間內,