傳真:
18923864027
QQ:
709211280
地址:
深圳市福田區振中路84號愛華科研樓7層
電流倒灌,熱插拔設計,過流保護的需注事項介紹實際設計時面臨的問題、考慮的因素比這里列出的多得多。羅馬不是一天建成的,所以需要日積月累
單電源運放與雙電源運放的區別是什么我們經常看到很多非常經典的運算放大器應用圖集,但是這些應用都建立在雙電源的基礎上,很多時候,電路
分壓式自偏壓電路圖解上圖所示為分壓式自偏壓電路又稱柵極接正電位偏置電路,它是在自給偏壓共源放大電路的基礎上,加上分壓電阻器R和R蛇構
感應保護型安全電源插座電路圖介紹實際生活中,由于拔插電源插頭不慎觸及到插頭的金屬部分,造**身傷害或受到電擊的事故時有發生,為了保證
開關電源設計知識介紹開關電源因體積小、功率因數較大等優點,在通信、控制、計算機等領域應用廣泛。但由于會產生電磁干擾,其進一步的應用
防止電源反接硬件電路大全防反接電路,在電子設計中非常重要,一個好的防反接電路,雖然只是增加了一點點元器件,卻可以很好的保護我們的后
IGBT模塊五種不同的內部結構與電路圖IGBT模塊的內部電路與IGBT單管及分立元件構成的電路形式略有不同。1 單管模塊,1 in 1模塊單管模塊的
運算放大器的11種經典電路介紹遍觀所有模擬電子技術的書籍和課程,在介紹運算放大器電路的時候,無非是先給電路來個定性,比如這是一個同向
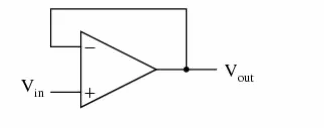
運放的電壓追隨電路知識詳解運放的電壓追隨電路,如圖1所示,利用虛短、虛斷,一眼看上去簡單明了,沒有什么太多內容需要注意,那你可能就
傳感器技術中的有源信號與無源信號知識介紹對于電流信號而言,若設備有獨立的工作電源線,那它提供的信號輸出(比如4-20mA)為有源信號;若
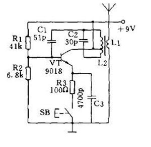
無線發射電路原理圖設計介紹無線電遙控電路是利用無線電信號作為遙控指令來完成各種指定動作,按規定。業余頻段有28 0~29 7MHz、50~54MHz
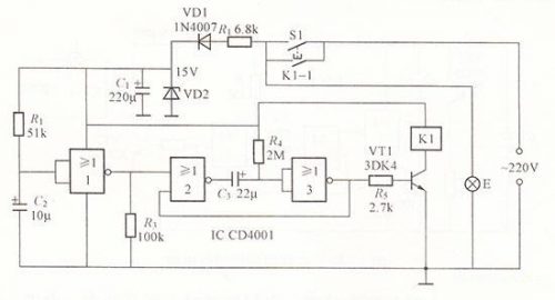
照明定時器電路圖介紹照明定時器電路如圖所示。電路中由或非門2、3、C3和R4構成單穩態電路,R1、VD1和C1構成直流電源供電電路,或非門1、R2和