傳真:
18923864027
QQ:
709211280
地址:
深圳市福田區振中路84號愛華科研樓7層
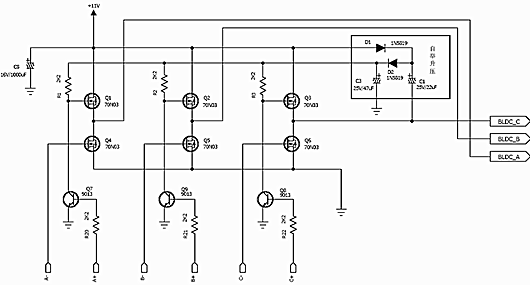
電荷泵自制MOS管高壓驅動電源介紹電荷泵自制MOS管驅動電機驅動電路中,通常采用MOS作為驅動單元,而MOS管為電壓驅動器件,需要5V-10V的驅動
MOS高壓側自舉升壓電路介紹MOS高壓側自舉升壓電路如果不添加自舉電路,舉例如下:如果MOS的Drink極電壓為12V,Source極電壓原為0V,Gate極
MOS管的壓降問題實例解析測試開關mos后電壓下降了1V多,鋰電池4 2V的電壓算是很低的一個電壓,并且是拿這個mos導通之后的電壓作為電壓比較
共柵級和共源級MOS管放大器小信號增益對比介紹了解共柵級和共源級兩種放大器的小信號增益的聯系和區別,對共柵級放大器主要是本征增益一項
場效應管在電路中低壓,寬電壓,雙電壓應用介紹場效應管低壓應用:當使用5V電源,這時候如果使用傳統的圖騰柱結構,由于三極管的be有0 7V左右
CMOS集成電路電壓擺幅,電壓余度概念介紹電壓余度(Voltage headroom)是電路內部消耗掉的電壓降,不能被轉化為output voltage swing 的
3 7V鋰電池充電電路圖解析鋰電池的充電根據鋰電池的結構特性,最高充電終止電壓應為4 2V,不能過充,否則會因正極的鋰離子拿走太多,而使電
3 7V鋰電池充電方法,過程的四個階段介紹鋰電池充電器的基本要求是特定的充電電流和充電電壓,從而保證電池安全充電。增加其它充電輔助功能
折疊式共源共柵結構,折疊式共源共柵放大器介紹折疊式共源共柵結構共源共柵級由共源級實現電壓到電流的轉換,然后電流信號加到共柵級的源端
計算運放電路的輸出失調詳細方法介紹運放電路的輸出失調計算理想的運算放大器模型具有無限的增益、帶寬、輸入阻抗和輸出導納,以及幾乎為零
運放失調電壓和開環增益的關系解析在圖 1a 所示最簡單的 G=1 電路中,輸出電壓是運算放大器的失調電壓。失調電壓被建模為與一個輸入端
運放電路的幾個電路設計細節介紹偏置電流如何補償對于我們常用的反相運算放大器,其典型電路如下:在這種情況下,R3為平衡電阻,這樣,在可