傳真:
18923864027
QQ:
709211280
地址:
深圳市福田區振中路84號愛華科研樓7層
DCDC的高端NMOS的自舉小竅門介紹NMOS管的主回路電流方向為D極到S極,導通條件為VGS有一定的壓差,即VG-VS>VTH;PMOS管的主回路電流方向為S
簡易的電荷泵驅動NMOS管電路介紹電荷泵驅動NMOS管電路簡單的升壓辦法-電荷泵通常我們有幾種辦法可以使得電壓抬升,最可靠的辦法就是采用升
NMOS開關電路及等效電路圖文介紹NMOS的輸出特性曲線若以柵極-源極間的回路為輸入回路,以漏極-源極間的回路為輸出回路,則稱為共源接法,如圖a
CMOS邏輯電路圖文解析CMOS邏輯電路實現CMOS邏輯電路,分兩部分,上拉部分,下拉部分。上拉部分由PMOS管電路構成,下拉部分由NMOS管電路組成
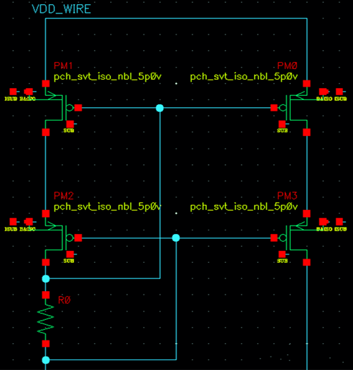
共源共柵電流鏡解析共源共柵電流鏡如圖所示,令左路電流為10u,PM1和PM0寬長比相同,則由電流鏡定律,右側電流也為10u,目標:設計較為精確
共源共柵級輸入噪聲解析共源共柵級輸入噪聲原理分析共源共柵級輸入噪聲共源共柵級的輸入噪聲(只考慮白噪聲):這里M1和RD貢獻的輸入噪聲都
VMOS管基本電路組態共源極,共柵極,共漏極介紹VMOS管電路也分為共源極、共柵極和共漏極三種組態。1 共源極組態VMOS管共源極組態的基本形式和
110V節能燈電子鎮流器電路圖設計介紹電子鎮流器電路圖設計要點設計110V的電子鎮流器比220V的電子鎮流器難度要高點,尤其是高功率因數的,下
電子鎮流器和電感鎮流器有什么區別鎮流器是現代燈具中不可缺少的部件,鎮流器主要分為電子鎮流器和電感鎮流這兩種,這兩種鎮流器間的差別還
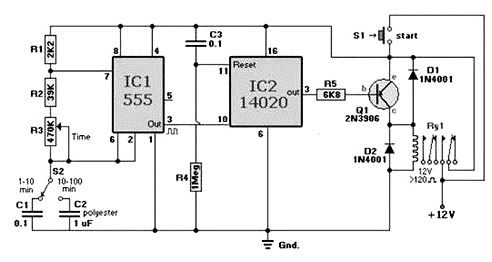
555集成電路圖文介紹555集成電路控制方式比較簡單,使用可靠、壽命長,是一種價格低、體積小、便于自制的光電控制開關電路。可用于工業生產
電壓追隨電路與詳細解析電壓跟隨器,顧名思義就是輸出電壓與輸入電壓是相同的,就是說電壓跟隨器的電壓放大倍數恒小于且接近1。電壓跟隨器
偏置電壓的差分放大器電路解析偏置電壓的差分放大器電路運放電路在單電源供電,而又處理交變信號時,常采用預加偏置電壓的方法,(完成電平