傳真:
18923864027
QQ:
709211280
地址:
深圳市福田區振中路84號愛華科研樓7層
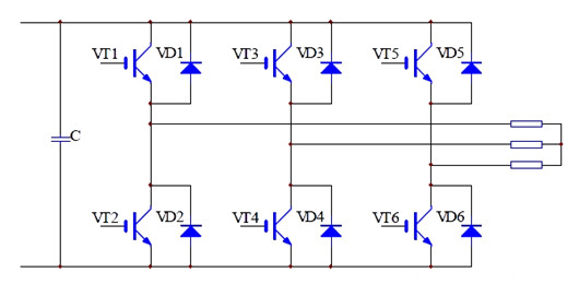
IGBT反并聯二極管,IGBT反并聯二極管反向恢復介紹IGBT反并聯二極管的功能下圖是三相雙向逆變電路,圖中我們可以看到反并聯二極管的用法。當
基于運放二極管,精密整流電路,理想二極管電路介紹運放和二極管構成的實用電路,精密整流電路、理想二極管電路。精密全波整流電路電路圖如下
外部電源與鋰電池自動切換電路(雙電源切換)分享一個外部電源和鋰電池自動切換電路(雙電源切換):使用低Uth類型的PMOS管(如Uth=-2V)做開
鋰電池保護電路的工作原理介紹鋰電池都有一個使用的安全電壓區間,最高和最低電壓一般被稱為充放電終止電壓或截止電壓,當電池的實際工作電
鋰電池充電電路設計,原理圖文解析電池充電方式簡介理論上為了防止因充電不當而造成電池壽命縮短,我們將電池的充電過程分為四個階段:涓流
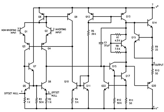
運算放大器的體系結構與設計技術介紹半導體制造商生產各種運算放大器IC。一些針對高速進行了優化,其他針對高精度進行了優化;一些使用雙極
半橋電路工作原理,電路圖文介紹在PWM和電子鎮流器當中,半橋電路發揮著重要的作用。半橋電路由兩個功率開關器件組成,它們以圖騰柱的形式連
Boost升壓電路原理,作用解析boost升壓電路是六種基本斬波電路之一,是一種開關直流升壓電路,它可以使輸出電壓比輸入電壓高。主要應用于直
開關穩壓器,反激轉換器電路圖與工作原理介紹在電子設備中,穩壓器是一個用來持續調節電源輸出的裝置或機制。電源器件中穩壓器有許多種。但
直流開關電源的幾種保護電路介紹直流開關電源保護電路基于直流開關電源的特點和實際的電氣狀況,為使直流開關電源在惡劣環境及突發故障情況
推挽電路驅動和圖騰柱驅動的區別介紹1、推挽驅動電路結構如下圖所示,輸入為高的時候上面三極管導通,輸入為低的時候下面的三極管導通,無
怎么用分立元件做MOS驅動電路用分立元件做MOS管驅動圖1 分立元件MOS驅動電路如圖1所示,這是用三極管、二極管、電阻、電容分立元件搭建的M