傳真:
18923864027
QQ:
709211280
地址:
深圳市福田區振中路84號愛華科研樓7層
晶閘管功率單元的散熱設計知識在電力電子工程的領域中,它是為各種電子控制設備服務的。凡是用晶閘管的地方,就要按設計者意圖把它們組成一
開關電源的基本原理與結構電源(PSU)其實是電源供應器(Power Supply Unit)的簡稱。而經常提到的PC電源,實際上也是一種簡稱,如果嚴格上講
兩種可控硅整流器的運行原理解析在平時的工作中,可控硅整流器作為一種常用到的重要元件,在工程師們的設計方案中出現頻率是很高的。其中,
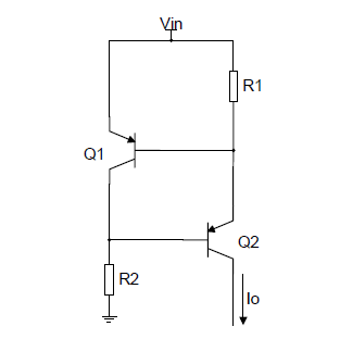
恒流電路在電源中的應用知識由于市場需求,電源模塊越來越追求寬電壓輸入,寬電壓輸入就會導致供電電流隨輸入電壓變化而變化,為了高電壓和
二極管是最常用的電子元件之一,它最大的特性就是單向導電,也就是電流只可以從二極管的一個方向流過,二極管的作用有整流電路,檢波電路,
使用直流穩壓電源時需要注意的事項一、直流穩壓電源的基本功能直流穩壓電源一般具有多路輸出:比如提供一路固定輸出為5V、2A;提供二路(A路
多功能智能插座電路設計圖解普通家用插座僅具有導通斷電功能,沒有保護功能和安全事故預防功能等文章介紹了一種以微功耗單片機PIC16F877A為
直流電壓轉換器原理電路圖電路由時基集成電路IC(IC555)及外圍元件組成一個脈沖振蕩器。IC的5腳接穩壓二極管VD3,以獲得5.6Ⅴ的基準電壓
什么是PFC-PFC穩壓開關電源是什么圖解PFC的英文全稱為Power Factor CorrecTIon,意思是功率因數校正,功率因數指的是有效功率與總耗電量(
TL431的基本應用電路與幾種不常見接法L431的主要作用是使電路獲得更加穩定的電壓,TL431是一種較為精密的可控穩壓源,有著較為特殊的動態抗
簡單實用的電容降壓原理解析將交流市電轉換為低壓直流的常規方法是采用變壓器降壓后再整流濾波,當受體積和成本等因素的限制時,最簡單實用的
led驅動恒壓恒流對比采用恒流供電方式是比較理想的LED供電方式,它能避免LED正向電壓的改變而引起電流波動,同時恒定的電流使LED的亮度穩定