傳真:
18923864027
QQ:
709211280
地址:
深圳市福田區振中路84號愛華科研樓7層
反激式開關電源應用電路設計圖解開關電源本身種類繁多,設計方法也復雜多樣,因此研究一種簡潔的方法去快速設計出所需要的通用型高效率,低
無電解電容LED驅動電路的設計圖解針對現有LED驅動電路存在電解電容限制壽命的不足,提出了一種無電解電容的LED驅動電路的設計方法。該方法
晶閘管的工作原理及應用簡介:工頻正弦半波的全導通電流在一個整周期內的平均值,是在環境溫度為40℃穩定結溫情況下不超過額定值,所允許的最
變頻器的典型主線路解析在分析變頻器的故障時,有時如果知道變頻器的電路原理,可以能更好地分析故障發生的原因。一、交-直變換部分1、VD1
無線充電應用的次級端整流橋應用方案知識摘要:本文主要介紹了在無線充電應用中,如何進行次級端的整流橋設計,并對三種設計方案進行了比較
固態繼電器的分類和工作原理固態繼電器(Solid State Relays,縮寫SSR)是一種無觸點電子開關,由分立元器件、膜固定電阻網絡和芯片,采用混
如何防止浪涌電壓沖擊功率因數控制電路或充電器解析多數用到直流-直流轉換器或電機變頻器的產品設備必須對市電交流電壓進行整流處理,例如
怎么按線路板還原電路原理圖在拿到一個產品的時候,很多時候,我們并沒有電路圖,那么,我們在這種情況下,如何講述清楚線路板的原理以及工作情
常用的直流開關電源保護電路圖解隨著科學技術的發展,電力電子設備與人們的工作、生活的關系日益密切,而電子設備都離不開可靠的電源,因此
單結晶體管構成晶閘管觸發電路圖解用單結晶體管構成的晶閘管觸發電路如圖1 所示,觸發電路的有關電壓波形如圖2 所示。與單結晶體管構成弛
數字型感應加熱電源方案知識中頻感應加熱電源在目前的工業制造領域應用十分廣泛,也是很多工程師和廠家的重點關注方向之一。在今明兩天的方
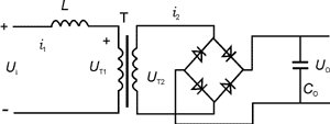
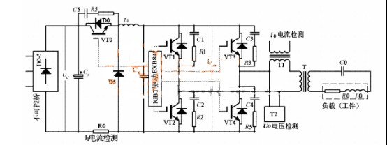
全橋型IGBT電源計算電路圖解電源系統中,電感L與高頻變壓器T的設計是關鍵。從圖2看出,逆變電路的負載只有電感L及變壓器T的原邊,當功率管