傳真:
18923864027
QQ:
709211280
地址:
深圳市福田區振中路84號愛華科研樓7層
H橋電路MOS管串聯二極管作用解析MOS管串聯二極管因為MOS管的體二極管速度太慢,有反向直通,所以采用一個二極管串聯在外面,外面再整體并聯
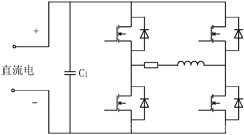
直流電機驅動方式,H橋驅動,MOS管驅動介紹直流電機驅動方式的介紹1 H橋驅動直流電機上圖是一個典型的直流電機控制電路。電路得名于H橋驅動電
PWM控制電機,PWM調制解析PWM控制電機(1)雙極模式,即電樞電壓極性是正負交替的,優點:能正反轉運行,啟動快,調速精度高,動態性能好,調
BLDC無刷直流電機驅動控制原理圖文介紹BLDC無刷直流電機驅動控制三相BLDC的換向示意圖如圖,先A導通(A上方輸入電流),再C-導通,在B導通
無刷直流電機矢量控制技術,單電阻采樣介紹無刷直流電機的矢量控制中,采用分流電阻進行三相電流采樣是一種經濟成本較低、應用較成熟的方案
直流電機調速電路圖介紹直流電機的調速范圍廣,過載能力比較強,可以實現頻繁的無級快速啟動、制動和反轉,可以滿足生產過程中自動化系統各
變頻器怎么給電機調速,調速方法介紹變頻器給電機調速的方法,具體參考如下:針對單相輸入,3相220v輸出的小型變頻器,連接的是小功率電機,
H橋控制電機,H橋電機正反轉換控制電路介紹H橋電機控制電路所謂的H橋電路就是控制電機正反轉的。下圖①就是一種簡單的H橋電路,它由2個P型場
全橋MOS IGBT電路搭建,后端全橋電路介紹逆變電路(Inverter Circuit)是與整流電路(Rectifier)相對應,把直流電變成交流電稱為逆變。逆
單相MOS全橋逆變電路,直流電機MOS驅動電路介紹MOS驅動電路原理圖其中12的升壓電路是為了給橋臂驅動芯片IR2105供電使用。這種芯片有很多替代
數字電路,三極管與門,或門及非門實例操作詳解三極管與門、或門和非門實例與門、或門和非門是數字電路中常用的三個器件,這里以三極管為例說
邏輯電路,CMOS門電路圖文介紹CMOS門電路MOS管電平較低的一端被認為是源極。襯底和地相連。晶體管狀態由Vg控制。Vg為低電平--源極和漏極之間