傳真:
18923864027
QQ:
709211280
地址:
深圳市福田區振中路84號愛華科研樓7層
電路設計為什么要加上,下拉電阻及作用介紹電路中加上拉電阻或下拉電阻的目的是確定某個狀態電路中的高電平或低電平。上、下拉電阻的作用提
數字電路,反相器基礎知識圖文介紹反相器是數字電路中最基本的門電路之一,由NMOS和PMOS組成。反相器的結構反向器由NMOS和PMOS組成,柵端(G
TTL反相器特性介紹TTL反相器是TTL電路的基本環節。TTL集成邏輯門電路的輸入和輸出結構均采用半導體三極管,所以稱晶體管—晶體管邏輯門電路
MOS管做電源開關的經驗介紹一般的電源開關電路,控制電源的目的是省電,控制靜態電流。不過以下的電路存在著幾個缺點:1 管壓降較大我們知
MOS管開關電路的經典應用介紹大家都知道MOS管屬于電壓控制型元器件。即在MOS管的柵極加上電壓時,當柵-源電壓壓差大于Vgs(th)時,MOS管即可
MOS管開關對輸入端電源的影響詳解MOS管做開關是一種常用的方式,在電路中比較常用的是一個三極管加一個MOS管,或者一個NMOS加一個PMOS。常
增強型P溝道MOS管的開關條件介紹P溝道MOS管作為開關的條件(GS >GS(TH))1、P溝道mos管作為開關,柵源的閥值為-0 4V,當柵源的電壓差為-
MOS管導通條件,過程,壓降,提高效率解析MOS管導通過程導通時序可分為tot1、t1t2、 t2~t3 、t3~t4四個時間段,這四個時間段有不同的等效電
利用MOS管實現主副電源自動切換電路介紹主副電源自動切換電路圖先看一下這個電路:USB外接電源與鋰電池自動切換電路設計如果主副輸入電壓相
多節鋰電池串,并聯轉換電路圖介紹做一個電源電路設計的最初目的是想放電時使用高電壓,充電時使用低壓。(充電時不用拆電池,使用手機充電
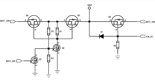
三電源切換電路,雙電源切換電路詳解三電源切換電路電路描述1、Q1、Q2為NMOS,Q3、Q4和Q5為PMOS管,D1為二極管。2、BAT1和BAT2為電池,BAT2
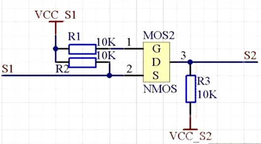
基于NMOS的雙向電平轉換電路實例介紹NMOS雙向電平轉換電路雙向電平轉換電路,如下圖所示,是 NMOS管雙向電平轉換電路,R2和R3可根據實際情