傳真:
18923864027
QQ:
709211280
地址:
深圳市福田區振中路84號愛華科研樓7層
開關電源|Boost電路加保護電路方案介紹Boost電路的基本原理開關電源最常見的三種結構布局是降壓(buck)、升壓(boost)和降壓–升壓
關于新能源汽車48V系統分析Technavio公司于前段時間發布了一份2017-2021年度新能源汽車48V系統全球市場的調研報告。據Technavio最新報道顯
12V開關電源電路圖和原理分析詳解12v開關電源其實是能夠有效地維持輸出電壓穩定的一種電源。那么如果開關電源的電壓不穩定將會影響到設備的
開關電源設計,怎么找到電源開關回路在成功的電源設計中,電源布局是其中最重要的一個環節。但是,在如何做到這一點方面,每個人都有自己的
數字電源,模擬電源,開關電源怎么區分在電源設計中我們如何選擇電源模塊,那么選擇的前提是,我們得了解各種電源,了解各種電源的區別,那樣
筆記分享,低功率范圍內的MOSFET表征介紹半導體行業一直在尋找新型特殊材料、介電解決方案和新型器件形狀,以進一步、再進一步縮小器件尺寸
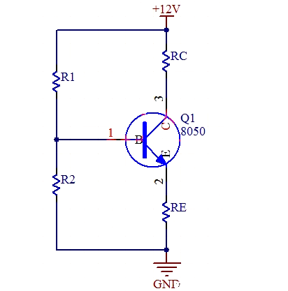
怎么設置三極管放大區靜態工作點三極管放大區靜態工作點三極管應用于放大交流信號時,一般要確保靜態工作點在合適的位置,以獲得最大的信號
MOS管電平轉換電路中的問題解析MOS管電平轉換電路在電路開發過程中,我們經常遇到兩個系統電平不一致的情況,比如IIC通信。使用MOS管搭建雙
開關電源各功能電路分析詳解開關電源的電路組成開關電源的主要電路是由輸入電磁干擾濾波器(EMI)、整流、濾波電路組成。輔助電路有輸入過
開關電源-必備的過壓保護電路介紹過壓保護電路過壓保護,是指被保護線路電壓超過預定的最大值時,使電源斷開或使受控設備電壓降低的一種保
電源電路|什么是過壓保護(OVP)與過流保護(OCP)過壓保護(OVP) 和過流保護(OCP)過壓保護 OVP過壓保護 OVP 是電壓的一個極其重要的特性,
倍壓電路是怎么工作的,原理詳解倍壓電路原理解析在變壓和整流過程中常見有倍壓電路:一則為通過變壓器升壓,通過匝數比實現;二則為如下所