傳真:
18923864027
QQ:
709211280
地址:
深圳市福田區振中路84號愛華科研樓7層
電源切換電路,PMOS串聯二極管作用介紹PMOS串聯二極管作用當只有3V電源時,VOUT采用3V供電;當5V電源有效時,切換至5V供電。分析:情況一:
VDMOS和COOLMOS的區別分析與應用COOLMOS(超結MOS)超結金氧半場效晶體管(Super Junction Metal-Oxide Semiconductor Field-Effect T
反激開關管的Vds電壓尖峰問題解決介紹開關管Vds電壓尖峰首先來看看MOS應力公式:(理想化處理,不影響結論)Vds=Vin+n*Vo+Vspike=Vin+n*Vo+
尖峰脈沖吸收電路圖文介紹DC DC尖峰脈沖吸收電路在DC DC轉換器中,脈沖問題直接影響到產品的EMI和電源噪聲,需要在某些時候加尖峰脈沖吸收
開關電源中的尖峰吸收電路詳細解析尖峰吸收電路開關電源的主元件大都有寄生電感與電容,寄生電容Cp一般都與開關元件或二極管并聯,而寄生電
開關電源變壓器的分布電容和漏感問題變壓器的分布電容分布電壓就是由兩個存在壓差而又相互絕緣的導體所產生的。其實在任何電路中,任何兩個
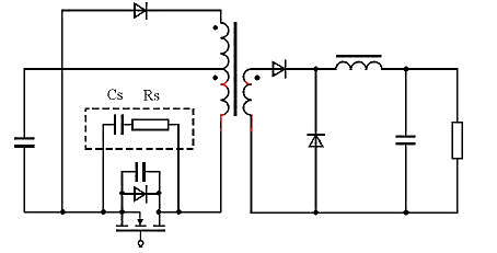
常用的IGBT單體緩沖吸收電路介紹IGBT單體緩沖吸收電路RS單體吸收電路( 1 )抑制關斷浪涌電壓效果好。( 2 )最適用于斬波器。( 3 ) IGB
IGBT尖峰電壓吸收電路圖文解析IGBT尖峰電壓吸收電路關斷IGBT時由于電感中儲存有能量,集電極-發射極間會發生浪涌電壓。緩沖電路可以抑制施
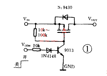
MOS管開關電路設計圖詳解MOS管開關電路設計MOSFET做開關管的知識:一般來講,三極管是電流驅動的,MOSFET是電壓驅動的,因為用CPLD來驅動這個
開關電源工作實用經驗介紹開關電源工作經驗1 變壓器圖紙、PCB、原理圖這三者的變壓器飛線位號需一致,這是安規要求。很多工程師在申請安
常用的開關電源電路設計公式介紹開關電源電路設計公式MOSFET開關管工作的ZD占空比Dmax:式中:Vor為副邊折射到原邊的反射電壓,當輸入為AC
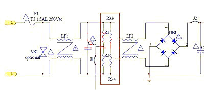
電源適配器噪聲問題和解決方法介紹電源適配器噪聲產生原因傳導干擾概念:傳導干擾主要評估輸入和輸出線上流過的干擾噪聲。待測試的設備EUT