傳真:
18923864027
QQ:
709211280
地址:
深圳市福田區振中路84號愛華科研樓7層
逆變電路,IGBT兩端并聯二極管的作用介紹IGBT兩端并聯二極管作用在逆變電路接感性負載的情況下,感性負載中的電流不能突變。在換相時,為了
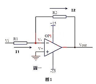
運算放大器同相放大與反相放大的區別解析放大器同相放大與反相放大區別運算放大器(簡稱運放)是具有很高放大倍數的電路單元。在實際電路中
一些常用的電源管理芯片介紹電源管理芯片電源管理芯片(Power Management Integrated Circuits),是在電子設備系統中擔負起對電能的變
關于DC-DC開關電源電路的計算介紹開關電源電路開關電源是利用現代電力電子技術,控制開關管開通和關斷的時間比率,維持穩定輸出電壓的一種
二極管開關過程,EMI問題詳細解析二極管的開關過程二極管的單向導通性、大于某電壓就導通等基本特性我們非常熟悉,但是隨著工作的深入會發現
USB PD大功率快充移動電源中MOS管的應用介紹快充與場效應管消費電子市場的火爆場面拉動了快充的內需,而快充的興起也帶動了MOSFET的需求增
MOS管在車載逆變電源中的應用方案介紹車載電源隨著社會生活水平的提高,我們對汽車的要求已經從簡單的代步工具轉化為了集娛樂、生活、辦公
MOSFET工作于弱反型 亞閾值的問題,特性解析MOSFET-弱反型 亞閾值當 MOSFET 的 Vgs 接近其閾值電壓 Vth 時,MOS 管工作在弱反型(或
靜態解析場效應管的放大電路場效應管放大電路根據偏置電路形式,場效應管放大電路的直流通路分為自給偏壓電路和分壓式偏置電路。自給偏壓電
雙場效應管推挽功率放大器詳解雙場效應管推挽功率放大器由于單場效應管功率放大器存在效率低、輸出功率小等缺點,所以我們必須在提高功放的
常用的穩壓二極管應用電路圖文介紹穩壓二極管應用電路1、穩壓二極管典型直流穩壓電路分析穩壓二極管主要用來構成直流穩壓電路,這種直流穩
混合集成電路特點,應用詳細分析混合集成電路混合集成電路(HIC),是單獨的裝置,例如半導體器件的構造的小型化的電子電路(例如晶體管,二