傳真:
18923864027
QQ:
709211280
地址:
深圳市福田區振中路84號愛華科研樓7層
續流二極管保護元件的原理知識針對于電源的電路保護設計,是電源工程師非常注重的一個部分,它會影響到電源的壽命、質量以及性能。本文中針
大功率變頻電源中快恢復二極管起到什么作用在大功率變頻電源中快恢復二極管一般用在逆變部分的緩沖電路中,做為續流二極管和整流二極管使用
絕緣二極管也叫內絕緣串聯二極管,或者叫內絕緣快恢復二極管,舉例來說:兩個300V二極管串聯在一起封裝在絕緣的TO-220,或者TO-247封裝中構
肖特基二極管和TVS管有什么區別(1)肖特基(Schottky)二極管是一種快恢復二極管,它屬一種低功耗、超高速半導體器件。其顯著的特點為反向恢復
單向半波可控整流電路加續流二極管是為什么單向半波可控整流帶大電感負載,在負半周可控硅截止時,電感負載會產生很高的反向感應電動勢,此
快恢復二極管耗散功率的計算公式在線性條件下,導通的耗散功率計算比較簡單,PD=I2R,或者PD=U2 R。在開關狀態下,計算相對比較復雜。1 如果
快軟恢復二極管是什么快速軟恢復二極管是一種具有快速開通和高速關斷能力,即具有短的反向恢復時間trr,較小的反向恢復電流IRRM和軟恢復特
二極管在PFC電路中的保護作用是什么為了提高電網的功率因數,減少干擾,平板電視的大多數電源都采用了有源PFC電路,盡管電路的具體形式繁多
怎么選擇最適宜的二極管單相PFC電路輸入電壓為交流230V,電流為7A,輸入標準功率為1 6kW。為了簡化計算,我們認為電流波形為矩形波,占空比
快恢復二極管選用需要注意什么半導體器件(以下簡稱器件)的質量問題,不僅有器件本身所固有的質量和可靠性問題,也有由于用戶選擇或使用不
肖特基和快恢復二極管哪個恢復時間更快肖特基是金屬和半導體結束形成的勢壘二極管,用多數載流子導電,其反相飽和電流較以少數載流子導電的
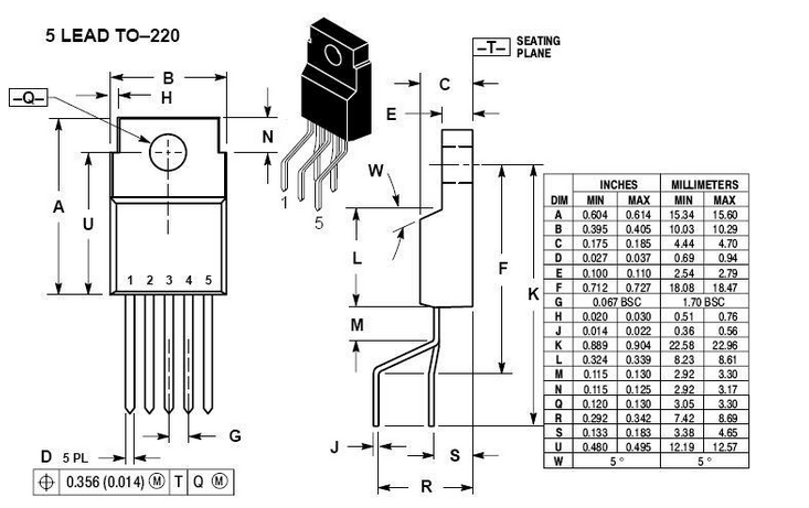
快恢復二極管參數對封裝選擇會有影響嗎快恢復二極管分別有TO-220AB(鐵封)、TO-220AB(塑封)、TO-247、TO-252、TO-263等封裝。快恢復二極