傳真:
18923864027
QQ:
709211280
地址:
深圳市福田區振中路84號愛華科研樓7層
肖特基二極管(sbd)基本原理與特性肖特基二極管形成肖特基(SBD)二極管是貴金屬(金、銀、鋁、鉑等)A為正極,以N型半導體B為負極,利用二
貼片發光二極管正負極要怎么識別區分發光二極管的特點在PCBA加工行業里,由于貼片發光二極體積小、耗電量低、使用壽命長、高亮度、環保、堅
電路中貼片型穩壓二極管的應用設計圖穩壓二極管工作原理及定義貼片型穩壓二極管(齊納二極管)其工作原理可用于穩定調節電流電流的單結二極
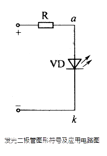
發光二極管電路圖符號的應用知識發光二極管是什么發光二極管可能對于一些人來說是比較陌生的,但是它廣泛的應用在我們生活電子中,比如最常
二極管型號分類與二極管電路符號作用整流二極管電路符號及作用在二極管電路應用中,整流二極管是最為常見的,整流二極管的工作原理是只允許
二極管橋式整流器的原理與優缺點我們使用的大多數設備都是AC設備。它們需要交流電源才能運行。我們沒有太多適用于直流電源的設備。但隨著電
全波二極管整流器電路圖詳情所述二極管的工作,只有當它是在正向偏置,只有電流流過pn結二極管和負載兩端的輸出電流被發現。如果兩個二極管
齊納二極管實驗與如何選擇合適的齊納二極管該齊納二極管主要工作在反向偏置狀態。我們使用齊納二極管來實現電壓調節和電壓穩定。它們為電壓
實現穩壓二極管和三端穩壓器一樣的效果在穩壓器件中,穩壓二極管和三端穩壓器是兩種最重要的選擇。但一分錢一分貨,穩壓二極管和三端穩壓器
二極管符號-二極管工作原理定義與常見的10種類型雖然在現實世界中,二極管不能實現零或無限電阻。相反,二極管在一個方向上具有可忽略的電
不同類型的二極管適應于哪些方面二極管是一種兩端電氣設備,只允許在一個方向上傳輸電流。二極管也以其單向電流特性而聞名,在這種情況下,
發光二極管電路的工作原理及應用發光二極管是兩引線半導體光源。1962年,尼克·霍洛尼亞克(Nick Holonyak)提出了發光二極管的想法,他在