傳真:
18923864027
QQ:
709211280
地址:
深圳市福田區振中路84號愛華科研樓7層
負反饋放大電路的計算詳細解析負反饋放大電路負反饋放大電路是指引入了交流負反饋的放大電路。交流負反饋能夠穩定放大電路的信號輸出。因為
三極管單級放大電路識圖介紹三極管單級放大電路識圖三極管單級放大電路在電子電路中是應用最多的單元電路。三極管單級放大電路有共基極放大
三極管兩級放大電路識圖介紹三極管兩級放大電路識圖三極管兩級放大電路就是由兩個三極管構成的放大電路。此類電路也是最常見的放大電路。根
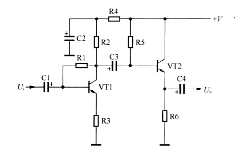
負反饋型三極管放大電路識圖介紹負反饋型三極管放大電路識圖1、反饋電路與構成將放大器的一部分輸出量(電壓或電流)送回輸入端的過程就是
多級放大器電路故障分析多級放大器電路故障分析如圖所示,以阻容耦合放大器電路為例,進行電路故障分析說明。關于多級放大器電路故障分析同
場效應管放大電路應用實例介紹場效應管放大電路由于場效應管的輸入阻抗非常高,也就是輸入電流極小,它常用于收音機電路中作為微弱信號的放
用三極管直接驅動MOS,需注意什么用三極管直接驅動MOS可以嗎?可以直接驅動。由于MOS場效應管是一種電壓驅動器件,要想使其充分導通,要求其
場效應管,電控開關介紹場效應管是用電操控的開關,先講一下怎樣運用它來當開關的,從圖中能夠看到它也像三極管相同有三個腳,這三個腳分別
音頻功率放大器電路知識介紹音頻功率放大器電路結構和單元電路作用1 電路組成方框圖圖2-26所示是音頻功率放大器電路組成方框圖。這是一個多
常用的低頻功率放大器電路解析低頻功率放大器電路電壓放大器,任務是將微弱的信號進行電壓放大。其輸入和輸出的電壓電流都比較小,不能直接
兩級電流并聯負反饋放大電路介紹兩級電流并聯負反饋放大電路圖(a)是兩級電流并聯負反饋電路,圖(c)是它的交流等效電路方框圖。1、反饋
多級放大器四種耦合方式圖文介紹根據前、后級放大器的耦合方式的不同,兩級放大器有阻容耦合、直接耦合、變壓器耦合和光電耦合器耦合4種。