NMOS雙向電平轉換電路
雙向電平轉換電路,如下圖所示,是 NMOS管雙向電平轉換電路,R2和R3可根據實際情況添加或去除。適用于低頻信號電平轉換,價格低廉。 導通后,壓降比三極管小。 正反向雙向導通,相當于機械開關。電壓型驅動,需要一定的驅動電流,而且有的應用也許比三極管大。

雙向傳輸原理:
S1端輸出低電平,MOS管導通,S2端輸出低電平。
S1端輸出高電平,MOS管截至,S2端輸出高電平。
S1端輸出高阻,MOS管截至,S2端輸出高電平 。
S2端輸出低電平,MOS管內的二極管導通,MOS管導通,S1端輸出低電平。
S2端輸出高電平,MOS管截至,S1端輸出高電平。
S2端輸出高阻,MOS管截至,S1端輸出高電平。
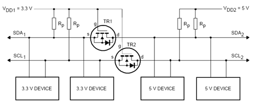
實例應用:




〈烜芯微/XXW〉專業制造二極管,三極管,MOS管,橋堆等,20年,工廠直銷省20%,上萬家電路電器生產企業選用,專業的工程師幫您穩定好每一批產品,如果您有遇到什么需要幫助解決的,可以直接聯系下方的聯系號碼或加QQ/微信,由我們的銷售經理給您精準的報價以及產品介紹
聯系號碼:18923864027(同微信)
QQ:709211280

