傳真:
18923864027
QQ:
709211280
地址:
深圳市福田區振中路84號愛華科研樓7層
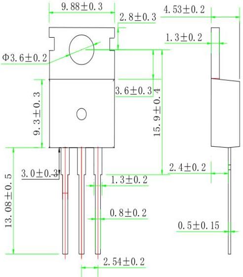
MOS管TO-3P封裝-TO-220F封裝TO-220F封裝是全塑封裝,上到散熱器上不必加絕緣墊。TO-220帶金屬片與中間腳相連的,如裝散熱器的話要加絕緣墊
TO-3P封裝MOS管封裝MOS芯片在制作完成之后,需要給MOSFET芯片加上一個外殼,即MOS管封裝。MOS芯片的外殼具有支撐、保護、冷卻的作用,同時還為
場效應管與BJT管對應場效應管場效應晶體管(Field Effect Transistor縮寫(FET))簡稱場效應管。主要有兩種類型(junction FET—JFET)和
開關電源 元器件電子元器件電子元器件是電子元件和電小型的機器、儀器的組成部分,其本身常由若干零件構成,可以在同類產品中通用;常指電
控制器的mos管的作用控制器控制器(英文名稱:controller)是指按照預定順序改變主電路或控制電路的接線和改變電路中電阻值來控制電動機的
如何判斷mos管工作狀態如何判斷mos管工作狀態,文中將會具體描述出來。mos管的工作狀態一共有兩種:增強型和耗盡型兩類又有N溝道和P溝道之
mos源極 漏極 區分mos源極與漏極源極(Field Effect Transistor縮寫(FET))簡稱場效應管。一般的晶體管是由兩種極性的載流子,即多數
LLC諧振半橋工作原理LLC諧振半橋簡介在傳統的開關電源中,通常采用磁性元件實現濾波,能量儲存和傳輸。開關器件的工作頻率越高,磁性元件的
MOS管GS并聯電阻的作用MOS管GS并聯電阻的作用,在MOS管的驅動電路里,某些場合下,會看到這個電阻,在某些場合中,又沒有這個電阻 這個電阻的值
mos管引腳順序mos管引腳在了解mos管引腳順序之前,我們來了解一下mos管的引腳,G:gate 柵極;S:source 源極;D:drain 漏極。N溝道的
寄生二極管,二極管方向判斷二極管二極管,(英語:Diode),電子元件當中,一種具有兩個電極的裝置,只允許電流由單一方向流過,許多的使用
開關電源測試開關電源概述開關模式電源(Switch Mode Power Supply,簡稱SMPS),又稱交換式電源、開關變換器,是一種高頻化電能轉換裝