傳真:
18923864027
QQ:
709211280
地址:
深圳市福田區振中路84號愛華科研樓7層
MOSFET柵極簡介MOSFET柵極,場效應管根據三極管的原理開發出的新一代放大元件,有3個極性,柵極,漏極,源極,它的特點是柵極的內阻極高,
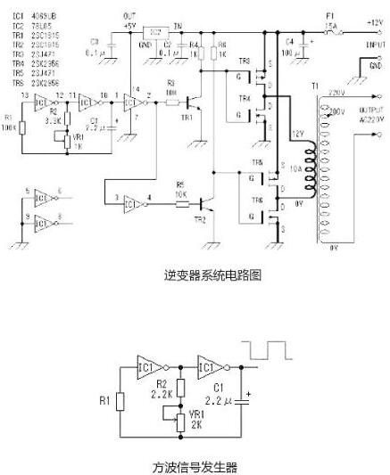
逆變器MOS管選型及電路工作詳解(一)工作原理及電路這里主要是講述逆變器是由MOS場效應管,普通電源變壓器構成。其輸出功率取決于MOS場效
功率MOSFET工作原理功率MOSFET是從小功率MOS管展開來的。但在結構上,它們之間相差很大,為了更好天文解功率MOSFET的機理,首先來回想一下
TO-247封裝MOSFET芯片在制作完成之后,需要給MOSFET芯片加上一個外殼,即MOS管封裝。MOSFET芯片的外殼具有支撐、保護、冷卻的作用,同時還為芯
MOS管散熱片大功率逆變器MOS管,工作的時候,發熱量非常大,如果MOS管散熱效果不好,溫度過高就可能導致MOS管的燒毀,進而可能導致整個電路
igbt工作原理及接線圖igbt簡介igbt工作原理及接線圖,我們先了解一下igbt是什么?IGBT是Insulated Gate Bipolar Transistor(絕緣柵雙極
小功率場效應管小功率MOS場效應晶體管,即MOSFET,其原意是:MOS(Metal Oxide Semiconductor金屬氧化物半導體),FET(Field Effect T
場效應管irf3205IR的HEXFET功率場效應管irf3205采用先進的工藝技術制造,具有極低的導通阻抗。場效應管irf3205這種特性,加上快速的轉換速
to263貼片mos管引腳圖MOS管封裝說明MOSFET芯片在制作完成之后,需要給MOSFET芯片加上一個外殼,即MOS管封裝。MOSFET芯片的外殼具有支撐、保護
mos恒流電路mos恒流電路,由信號源和電壓控制電流源(VCCS)兩部分組成。正弦信號源采用直接數字頻率合成(DDS)技術,即以一定頻率連續從E
MOSFET簡介MOSFET的全稱為:metal oxide semiconductor field-effect transistor,中文通常稱之為,金屬-氧化層-半導體-場效晶體管 MOS
mosfet驅動mosfet驅動,跟雙極性晶體管相比,一般認為使MOS管導通不需要電流,只要GS電壓高于一定的值,就可以了。這個很容易做到,但是,我