傳真:
18923864027
QQ:
709211280
地址:
深圳市福田區振中路84號愛華科研樓7層
MOS管MOS管是金屬(metal)—氧化物(oxide)—半導體(semiconductor)場效應晶體管,或者稱是金屬—絕緣體(insulator)—半導體。MOS管的source
mos管mos管是金屬(metal)—氧化物(oxide)—半導體(semiconductor)場效應晶體管,或者稱是金屬—絕緣體(insulator)—半導體。MOS管的source
場效應mos管場效應晶體管(Field Effect Transistor縮寫(FET))簡稱場效應管。主要有兩種類型(junction FET—JFET)和金屬 - 氧化物半
mos管散熱器mos管散熱器,大功率逆變器MOS管,工作的時候,發熱量非常大,如果MOS管散熱效果不好,溫度過高就可能導致MOS管的燒毀,進而可
5a mos管mos管是金屬(metal)—氧化物(oxide)—半導體(semiconductor)場效應晶體管,或者稱是金屬—絕緣體(insulator)—半導體。MOS管的sou
測判三極管的口訣三極管三極管,全稱應為半導體三極管,也稱雙極型晶體管、晶體三極管,是一種控制電流的半導體器件其作用是把微弱信號放大
mos管導通電阻mos管導通特性與條件(一)mos管導通特性金屬-氧化層半導體場效晶體管,簡稱金氧半場效晶體管(Metal-Oxide-Semiconductor F
mos管柵極電阻的作用mos管柵極簡介在了解mos管柵極電阻的作用之前,我們先了解一下mos管柵極及其他2個極的基礎知識。場效應管根據三極管的
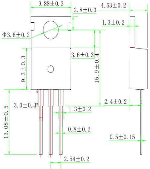
TO-220TO-220與TO-220F的區別下文將會講到,現在了解一下TO-220與TO220F是什么?TO-220封裝外形( Transistor Outline Package)是一種大
深談MOSFET的原理MOSFET廣泛使用在模擬電路與數字電路中,和我們的生活密不可分。MOSFET的優勢在于:首先驅動電路比較簡單。MOSFET需要的驅
什么是mos管mos管是金屬(metal)、氧化物(oxide)、半導體(semiconductor)場效應晶體管,或者稱是金屬—絕緣體(insulator)、半導體。MOS管的s
TO-251封裝TO-251封裝是直插式的封裝,MOS管芯片在制作完成之后,需要給MOSFET芯片加上一個外殼,即MOS管封裝。MOSFET芯片的外殼具有支撐、保