傳真:
18923864027
QQ:
709211280
地址:
深圳市福田區振中路84號愛華科研樓7層
第一種:mos管開關電路圖MOS管的開關特性靜態特性MOS管作為開關元件,同樣是工作在截止或導通兩種狀態。由于MOS管是電壓控制元件,所以主要
在使用MOS管設計開關電源或者馬達驅動電路的時候,大部分人都會考慮MOS的導通電阻,最大電壓等,最大電流等,也有很多人僅僅考慮這些因素。
mos管和三級管區別1、三極管用電流控制,MOS管屬于電壓控制。2、成本問題:三極管便宜,MOS管貴。3、功耗問題:三極管損耗大。4、驅動能力
場效應管電路圖形符號理解和記憶方法一、場效應管電路圖電壓放大電路中的應用場效應管電路圖在電壓放大電路中的應用見下圖。該電路主要是對
5V轉3 3V穩壓芯片直接連接通常 5V 輸出的 VOH 為 4 7 伏, VOL 為 0 4 伏;而通常 3 3V LVCMOS 輸入的 VIH 為 0 7 x VDD
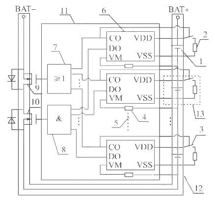
鋰電池保護板均衡原理成組鋰電池串聯充電時,應保證每節電池均衡充電,否則使用過程中會影響整組電池的性能和壽命。常用的均衡充電技術有恒
場效應管電路圖符號識圖場效應管英文縮寫:FET(Field-effect transistor),簡稱為場效應管,是一種高輸入阻抗的電壓控制型半導體。場效應
1、75N75產品描述75N75是N溝道增強型功率場狀態特性穩定、快速的效應晶體管開關速度,低熱阻,常用于電信和計算機應用。2、75N75產品特征RD
場效應管應用電路MOSFET廣泛使用在模擬電路與數字電路中,和我們的生活密不可分。MOSFET的優勢在于:首先驅動場效應管應用電路電路比較簡單
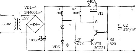
場效管直流穩壓電路圖V-MOS功率場效應管作調整管的穩壓電源。直流輸出電壓可在1 25V~12V連續可調,輸出電流為50mA(須裝10平方厘米散熱器)
場效應管的三個極場效應管的三個極相當于三級管的三個電極,G是控制極,相當于三級管的B極,電壓控制DS的導通率(三極管是電流控制型,B極
TO-220mos引腳順序TO-220封裝是一種快恢復二極管常采用的一種直插式的封裝形式。其中,TO英文是 Transistor Outline的縮寫。通常,TO-220