傳真:
18923864027
QQ:
709211280
地址:
深圳市福田區振中路84號愛華科研樓7層
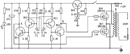
12V鋰電池保護板電路圖12V鋰電池保護板,16串磷酸鐵鋰電池保護板,18650電池維護板,線路板廠在雙面線路板設計時都會優先思索鋰電池保護板
什么是逆變器?逆變器是一種把直流電能(電池、蓄電瓶)轉變成交流電(普通為220伏50HZ正弦波或方波)的安裝。我們常見的應急電源,普通是把直
光伏逆變器拓撲結構與功率器件的展開光伏逆變器作為電力電子技術行業的一個重要分支,其技術進步高度依賴于電子元器件和控制技術的展開。而
步進電機及驅動芯片選型一、步進電機驅動系統性能1)系統常識:步進電機和步進電機驅動器構成步進電機驅動系統。步進電機驅動系統的性能,
一、太陽能LED照明系統構成太陽能LED照明系統的規模和應用形式各異,系統規模跨度很大,小到0 3~2W的草坪燈,大到幾百瓦的太陽能LED高桿燈
逆變器工作原理逆變器是一種由半導體器件組成的電力調整裝置,主要用于把直流電力轉換成交流電力。由升壓回路以及逆變橋式回路構成。升壓回
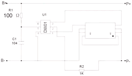
鋰電池保護板電路圖鋰在元素周期表上第3位,外層電子1個,容易失去形成穩定結構,所以是非常活潑的一種金屬。而鋰離子電池具有放電電流大、
場效應管測量方法場效應管英文縮寫為FET。可分為結型場效應管(JFET)和絕緣柵型場效應管(MOSFET),我們平常簡稱為MOS管。而MOS管又可分為增
數字萬用表測場效應管數字萬用表相對來說,屬于比較簡單的測量儀器。本篇,作者就教大家數字萬用表的正確使用方法。從數字萬用表的電壓、電
場效應管實用電路圖場效應管的應用很廣,能夠用于調制、放大、阻抗變換、穩流、限流和自動維護等電路中,下面以結場型場效應管為例,扼要引
在電路板上,我們經常會看到一個類似三極管的元件---三端穩壓器。三端穩壓器常用在需要電壓變換的地方。如18伏變12伏、12伏變5伏。常見的三
場效應管的應用越來越廣泛,它相比于傳統的晶體管有許多獨特的優點使其在高頻電路中的應用尤其之多,本文介紹了場效應管和它的工作原理,就