傳真:
18923864027
QQ:
709211280
地址:
深圳市福田區振中路84號愛華科研樓7層
貼片三極管基極下拉電阻作用圖貼片三極管基極下拉電阻作用有以下四點:1、防止貼片三極管受噪聲信號的影響而產生誤動作,使晶體管截止更可
貼片三極管基本工作狀態原理解析貼片三極管,全稱應為半導體貼片三極管,也稱雙極型晶體管、晶體貼片三極管,是一種控制電流的半導體器件其
貼片三極管的倒置狀態貼片三極管的工作原理及特性是電子技術從業人員必須掌握的知識。貼片三極管主要有三種常用的工作狀態:截止、放大、飽
貼片三極管怎么識別區分貼片三極管是由傳統引線式三極管發展過來的,管芯相同、僅封裝不同,并且大部分沿用引線式的原型號,伴隨電子行業的
貼片三極管的基礎知識點貼片三極管的基礎知識簡單分為結構分類和電流放大作用兩部分,下面由我來為大家逐一介紹,首先,簡單介紹一下貼片三
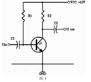
貼片三極管放大電路原理詳情放大電路的核心元件是貼片三極管,所以要對貼片三極管要有一定的了解。用貼片三極管構成的放大電路的種類較多,我
如何判別貼片三極管電極與管型判別貼片三極管電極和管型的方法有兩種,分別是目測法和萬用表電阻檔判別。第一種方法:目測法目測法包含管型
貼片三極管共集電極放大電路解析今天我們來介紹一下貼片三極管共集電極放大電路, 貼片三極管共集電極放大電路圖如下:高輸入阻抗及低輸出
使用貼片三極管需要注意的問題按照現代的制造工藝來說,根據不同的摻雜方式在同一個硅片上制造出三個摻雜區域,并形成兩個PN結,由此就構成
怎么使用貼片開關三極管首先來說一下NPN型,這種型號的貼片三極管在用于開關狀態時,大都是按圖一的接法:發射極接地,集電極接高電平,基
s8050與ss8050前面的s ss是什么意思s8050和ss8050三極管是同一個三極管嗎?選用8050三極管的時候要注意區分!!聽過8050的都知道是三極管
8050引腳圖正確區分引腳8050三極管是非常常見的NPN型晶體三極管,應用于各種常見放大電路中,被廣泛使用,主要功能是高頻放大和開關作用;