傳真:
18923864027
QQ:
709211280
地址:
深圳市福田區振中路84號愛華科研樓7層
EMI濾波器基本原理與正確應用方法1、前 言隨著現代科學技術的飛速發展,電子、電力電子、電氣設備應用越來越廣泛,它們在運行中產生的高密
串聯電池組單體電池電壓檢測技術知識一、引言隨著純電動車及混合動力車的發展,作為重要儲能設備的串聯電池組是影響整車性能的一個關鍵因素
可控硅和固態繼電器的作用為何如此高度相似由于體積小、結構相對簡單、功能性強,可控硅在電子電路設計中成為了應用較為廣泛的半導體器件之
LED驅動電源知識大全一 LED基本分類與應用●按輸出功率分類:0 4W、1 28W、1 4W、3W、4 2W、5W、8W、10 5W、12W、15W、18W、 20W、23W、2
寬帶放大器電路設計解析這里給出了 一個 50~300MHz 的低噪聲寬帶放大器的設計,該放大器在工作頻段內具有優良的增益平坦度和噪聲系數,
元器件布局設計的工藝要求與多方位考慮元器件布局要根據smt貼片加工生產設各和工藝特點進行設計。不同的工藝,如smt貼片再流焊和波峰焊,對
簡析有源功率因數校正技術與發展趨勢引言傳統的用于電子設備前端的二極管整流器,作為一個諧波電流源,干擾電網線電壓,產生向四周輻射和沿
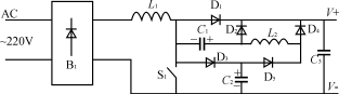
PFC主電路原理圖知識圖 PFC主電路原理圖如圖所示的無損吸收PFC主電路的原理圖。圖中B1為整流橋,L1為PFC升壓電感,D1為隔直二極管,S1為開
晶體晶振區別-應用范圍與用法無源晶體與有源晶振的區別、應用范圍及用法:1、無源晶體——無源晶體需要用DSP片內的振蕩器,在datasheet上有
PCB地線的干擾和抑制分析摘要:在PCB設計中,尤其是在高頻電路中,經常會遇到由于地線干擾而引起的一些不規律、不正常的現象。本文對地線產
單片機復位電路作用原理和與置位的區別關于單片機的置位和復位,都是為了把電路初始化到一個確定的狀態,一般來說,單片機復位電路作用是把
各類功放原理圖與原理介紹在音響領域里人們一直堅守著A類功放的陣地。認為A類功放聲音最為清新透明,具有很高的保真度。但是,A類功放的低